EasyManua.ls Logo

THOMSON 24FS3246 - Page 37

THOMSON 24FS3246
40 pages
Print Icon
To Next Page IconTo Next Page
To Next Page IconTo Next Page
To Previous Page IconTo Previous Page
To Previous Page IconTo Previous Page
Loading...
TCL CONFIDENTIAL
ONLY FOR AOE
T
T
T
...
.............
DD-MM
DD-MM
DD-MM
DD-MM
...
...
...
...
...
...
...
...
...
5-5-2008_15:52
...........
...
...
...
...
...
...
DD-MM-YY
......
Tel +86-755-3331xxxx Fax +86-755-3331xxxx
Nanshan District, Shenzhen, Guangdong
B Building, TCL Tower, Nanhai Road
TCL Thomson Electronics Ltd.
OF :
PAGE:
ON:
BY:
BY:
ON:
CHECKED
DATE
Last saved :
DESCRIPTION Last modifNAME
A
3 2 1
F
E
D
C
B
8 7 6 5
5
4 3 2 1
THIS DRAWING CANNOT BE COMMUNICATED TO UNAUTHORIZED PERSONS COPIED UNLES S PERMITTED IN WRITING
F
E
D
C
B
A
4678
FORMAT DIN A2
Index-Lab
DESIGNATION
SBU :
TCLNO:
DRAWN
T T
T
T
T
T
T T
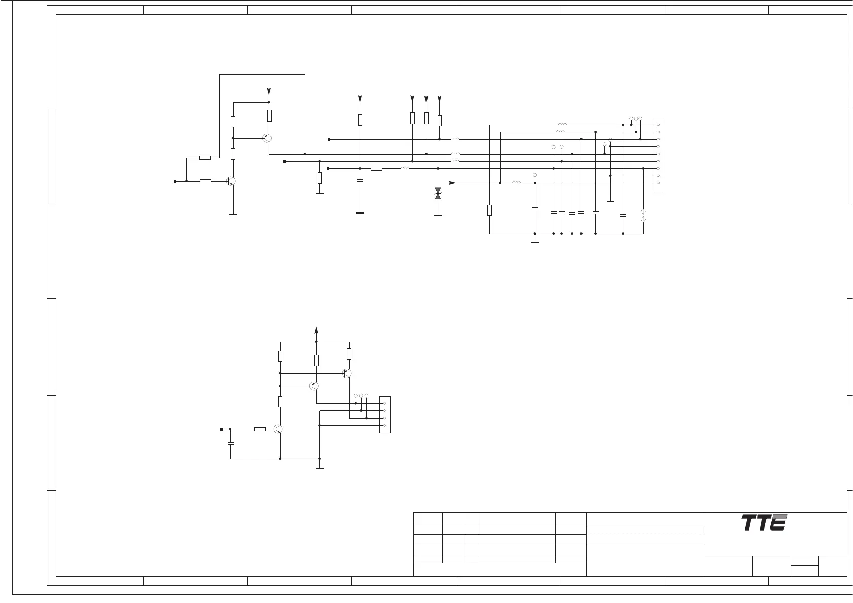
R584,C539 FOR PWM TOUCH KEY ONLY,R504 IS 0 OHM IN OTHER KEY MODE.
R335
100K
LIGHT_SENSER
Z213
Z212
LED
R339
22K
LED
C326
1000P
C325
1000P
C328
1000P
LED_STB
Z2
KEY LED
Z1
LIGHT_SENSER
STB_POWER
STB_POWER
L137 600R
R326
680R
L136
600R
C3
NC/10U
R338
0R
R334
NC/10K
OPCTRL5
STB_POWER
+3V3SB
IR
1
2
3
4
5
6
7
8
9
P5
L146
600R
R337
10K
R336
3K3
2 1
R77
V270RA
F38
L144
600R
C331
1000P
+5V
R333
10K
B
C
E
Q14
BC847C
C327
1000P
C308
470P
R332
NC/10K
L143
600R
R331
NC/0R
L142
600R
L138
600R
STB_POWER
R325
5K6
R323
10K
B
E
C
Q21
BC857B
C290
1000P
KEY
Z3
GND_KEY
R322
NC/10K
R321
NC/4K7
R319
NC/10K
R341
NC/100R
R340
NC/100R
1
2
3
4
P2
B
E
C
Q22
NC/BC857B
B
E
C
Q20
NC/BC857B
B
C
E
Q10
NC/BC847B
C262
220P
+5V
Z212

Related product manuals