EasyManua.ls Logo

Thule 301857 - Page 15

Thule 301857
20 pages
Print Icon
To Next Page IconTo Next Page
To Next Page IconTo Next Page
To Previous Page IconTo Previous Page
To Previous Page IconTo Previous Page
Loading...
ADS904-01 15
+
+
+
+
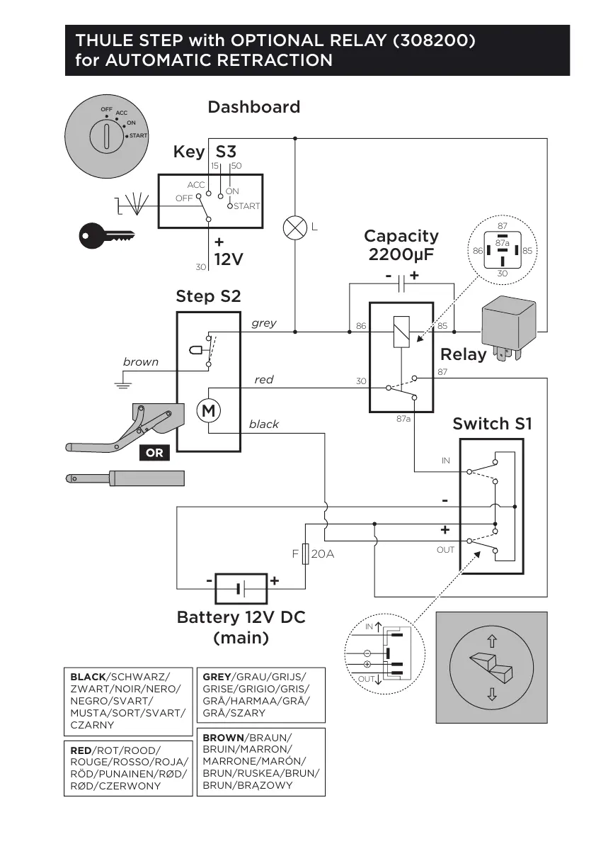
Switch S1
Step S2
Battery 12V DC
(main)
12V
M
Capacity
2200µF
Relay
Key S3
Dashboard
brown
grey
red
black
F 20A
L
OFF
START
-
-
-
ACC
ON
50
30
15
86
30
85
87
87a
OFF
ACC
ON
START
THULE STEP with OPTIONAL RELAY (308200)
for AUTOMATIC RETRACTION
BLACK/SCHWARZ/
ZWART/NOIR/NERO/
NEGRO/SVART/
MUSTA/SORT/SVART/
CZARNY
GREY/GRAU/GRIJS/
GRISE/GRIGIO/GRIS/
GRÅ/HARMAA/GRÅ/
GRÅ/SZARY
BROWN/BRAUN/
BRUIN/MARRON/
MARRONE/MARÓN/
BRUN/RUSKEA/BRUN/
BRUN/BRĄZOWY
RED/ROT/ROOD/
ROUGE/ROSSO/ROJA/
RÖD/PUNAINEN/RØD/
RØD/CZERWONY
IN
OUT
86
30
85
87
87a
IN
OUT

Related product manuals