EasyManua.ls Logo

Toa A-503A - Page 11

Toa A-503A
12 pages
Print Icon
To Next Page IconTo Next Page
To Next Page IconTo Next Page
To Previous Page IconTo Previous Page
To Previous Page IconTo Previous Page
Loading...
-10 -
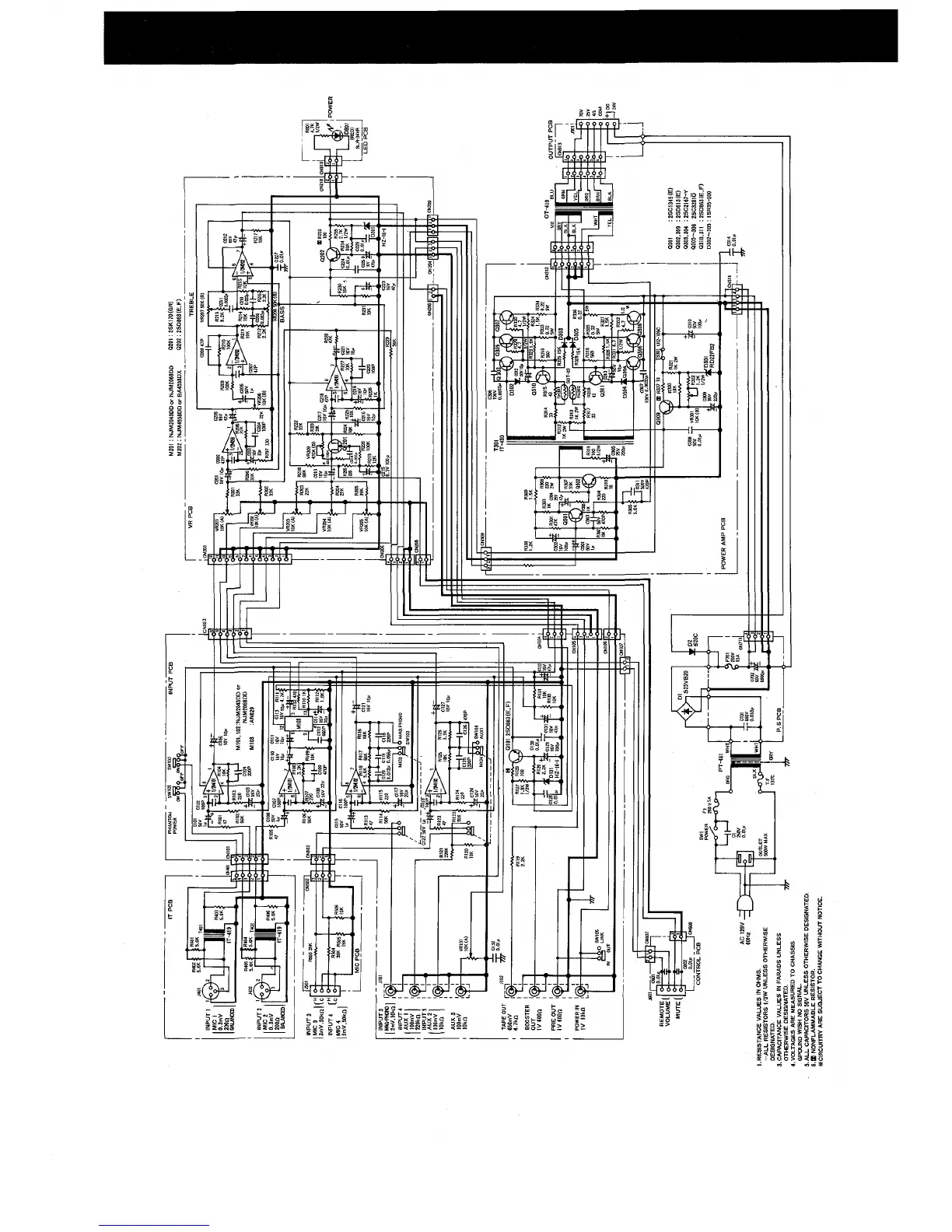
Schematic A-512A

Other manuals for Toa A-503A

Related product manuals