EasyManua.ls Logo

Toa MX-106R - Diagrams and Signal Flow; Block Diagram Analysis; Level Diagram Interpretation

Toa MX-106R
12 pages
Print Icon
To Next Page IconTo Next Page
To Next Page IconTo Next Page
To Previous Page IconTo Previous Page
To Previous Page IconTo Previous Page
Loading...
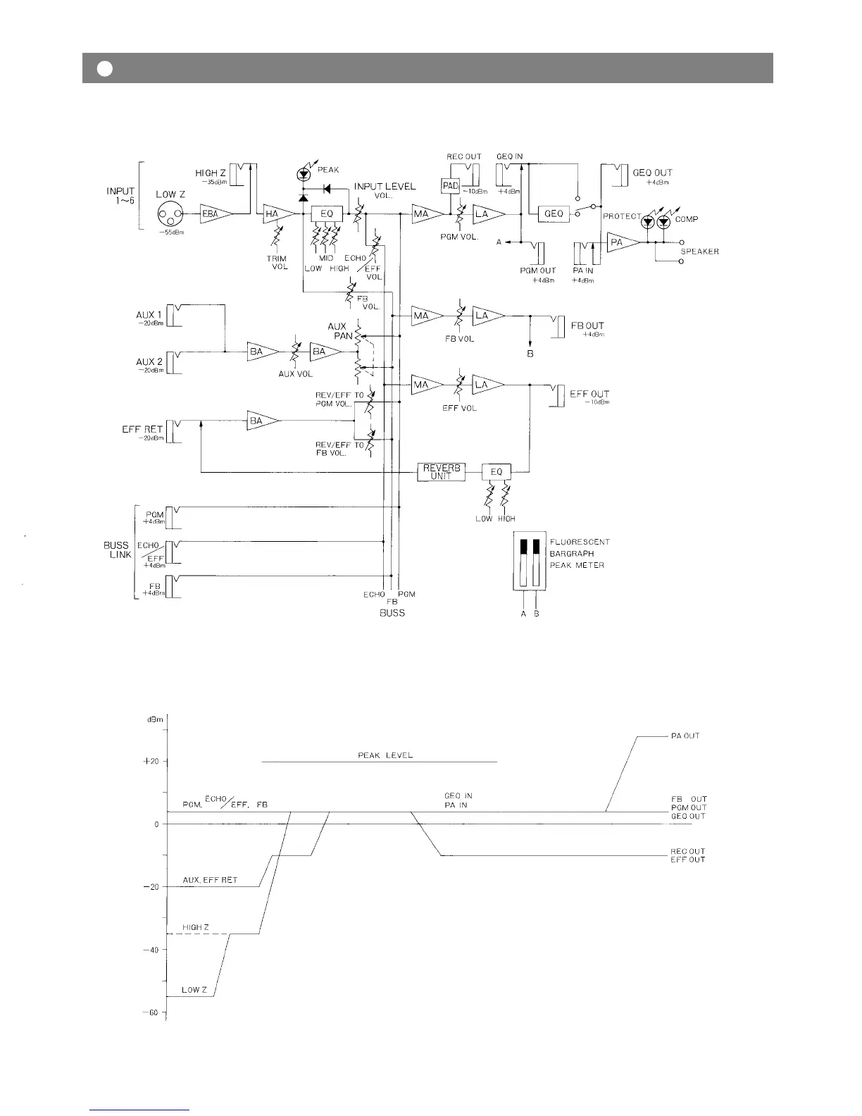
BLOCK DIAGRAMS
LEVEL DIAGRAM
— 8 —
Block and Level Diagrams

Related product manuals