EasyManua.ls Logo

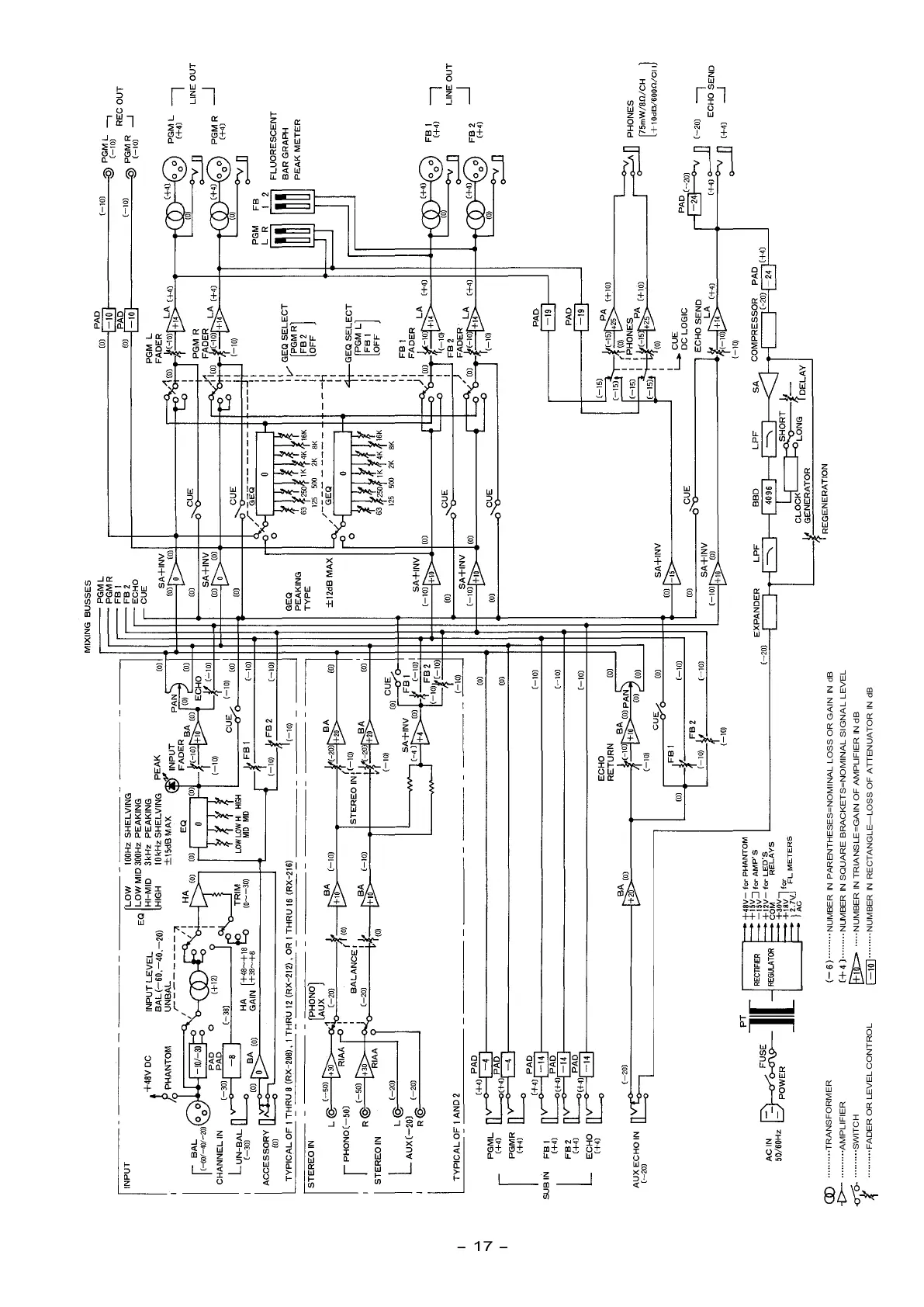
Toa RX-212 - Block Diagram; Signal Path Overview; Key Functional Blocks

Toa RX-212
19 pages
Print Icon
To Next Page IconTo Next Page
To Next Page IconTo Next Page
To Previous Page IconTo Previous Page
To Previous Page IconTo Previous Page
Loading...
-
17
-
TRANSFORMER
AMPLIFIER
SWITCH
FADER OR LEVEL CONTROL
NUMBER IN PARENTHESES=NOMINAL LOSS OR GAIN IN dB
NUMBER IN SQUARE BRACKETS=NOMINAL SIGNAL LEVEL
NUMBER IN TRIANSLE=GAIN OF AMPLIFIER IN dB
NUMBER IN RECTANGLE—LOSS OF ATTENUATOR IN dB
All manuals and user guides at all-guides.com

Related product manuals