EasyManua.ls Logo

TOPP C25 - Schemi Per Il Collegamento Elettrico; Layouts for Electrical Connections

TOPP C25
40 pages
Go to English
To Next Page IconTo Next Page
To Next Page IconTo Next Page
To Previous Page IconTo Previous Page
To Previous Page IconTo Previous Page
Loading...
37
NOTE / NOTES
C25
A
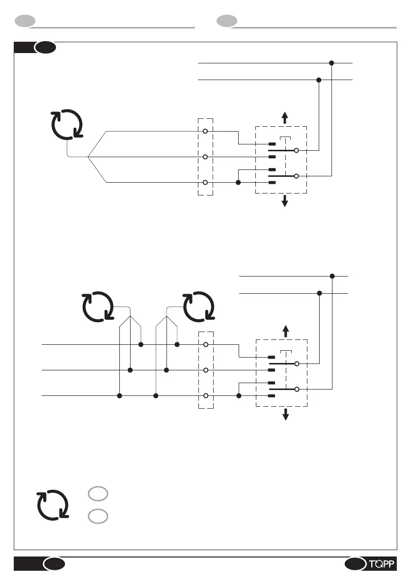
QUESTO SIMBOLO IDENTIFICA NEGLI SCHEMI DI COLLEGAMENTO
ELETTRICO L’ATTUATORE TOPP SRL.
CHIUDE
CLOSE
NERO / BLACK
230V~50Hz
N
L
APRE
OPEN
C25 C25
MARRONE / BROWN
GRIGIO / GRAY
A
A
CHIUDE
CLOSE
NERO / BLACK
GRIGIO / GRAY
230V~50Hz
N
L
APRE
OPEN
MARRONE / BROWN
C25
A
Fig.
31
SCHEMI PER IL COLLEGAMENTO ELETTRICO
IT
LAYOUTS FOR ELECTRICAL CONNECTIONS
EN
IT
THIS SYMBOL IDENTIFIES THE ACTUATOR TOPP SRL IN THE
ELECTRICAL CONNECTION LAYOUTS.
EN
?

Table of Contents

Related product manuals