EasyManua.ls Logo

Toro 30301 - Page 32

Toro 30301
36 pages
Print Icon
To Next Page IconTo Next Page
To Next Page IconTo Next Page
To Previous Page IconTo Previous Page
To Previous Page IconTo Previous Page
Loading...
32
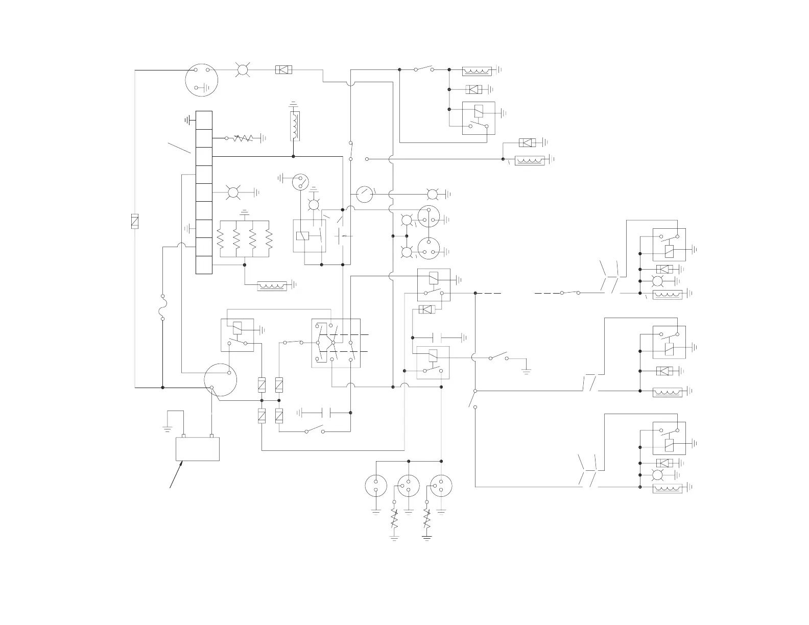
ELECTRICAL SCHEMATIC
12 VOLTS
BATTERY
Y
I
A
S
B
START
RUN
+
-
B
S
1
2
3
4
5
6
7
8
9
RELAY
RELAY
DIODE
PTO COIL
TRANSPORT COIL
DIODE
DIODE
RELAY
GLOW
PLUGS
INJECTION ADVANCE
START
RELAY
SV1
SV2
+
-
SS
R
FUEL GAUGE
HOURMETER
TEMP GAUGE
ALTERNATOR
STARTER
R
RELAY
CAPACITOR
CAPACITOR
H20 IN FUEL
COOLANT LEVEL
DIODE
PTO
SWITCH
1
25
4
5
TRANSPORT
SWITCH
II
GG
SENDER
6
20A
2
3
50A THERMALBREAKER
10A
G
LIFT/XBAL
SOLENOID
FLOAT/HOLD
SOLENOID
DECK
HOLD/LIFT
SWITCH
DECK
FLOAT
SWITCH
Y
FUEL STOP
SOLENOID
LIGHT
CRUISE COIL
RELAY
DIODE
5
CRUISE
SWITCH
2
3
6
SERVICE
BRAKE
SWITCH
LIGHT
OPTIONAL
LIGHT
DIODE
TEMP. RELAY
LIGHT
HIGH
TEMP
SWITCH
HI TEMP
OVERRIDE
SWITCH
NEUTRAL
SWITCH
IGNITION
SWITCH
DIODE
LIGHT
DECK
POSITION
SWITCH
20A
80A
G
SEAT SWITCH
X
Y
OIL PRESSURE
R
R
2
2
3
1
1
3
7.5A
T-2262-7
PRE/POST
HEAT RELAY
VIOLET
TAN
VIO.
VIO.
TAN
VIOLET
TAN
TAN
BROWN
BLU
TAN
TAN
TAN
TAN
TAN
GREEN
WHI
YELLOW
PINK
YEL
YEL
YEL
YEL
ORANGE
BROWN
BRW
GRAY
PINK
PINK
PINK
BLUE
BLUE
VIO.
VIO.
VIO.
VIO.
BRW
BRW
BLUE
BLUE
YEL
YEL
ORANGE
ORG
ORG
WHITE
BLUE
ORANGE
ORANGE
WHITE
BLU
GRN
GRN
VIOLET
ORANGE
BLU
WHITE
WHITE
GRAY
RED
RED
RED RED
RED
RED
RED
PINK
WHITE
BLUE
WHITE
GRN
GRN
GREEN
GRAY
TAN
PINK
PINK
PINK
PINK
PINK
WHITE
GRAY
BRW
WHI
BLUE
ORANGE
ORG
RED
ALL GROUND WIRES ARE BLACK
NOTE:
SV1 SV2
LIFT
HOLD
LOWER/FLOAT
OFF
ON
OFF
OFF
OFF
ON
CRUISE
PTO
TRANSPORT
SEAT
IMPLEMENT FLOAT
HIGH COOLANT
RELAY
GRAY
PARKING
BRAKE

Related product manuals