EasyManua.ls Logo

Toro 70131 - Page 29

Toro 70131
32 pages
Print Icon
To Next Page IconTo Next Page
To Next Page IconTo Next Page
To Previous Page IconTo Previous Page
To Previous Page IconTo Previous Page
Loading...

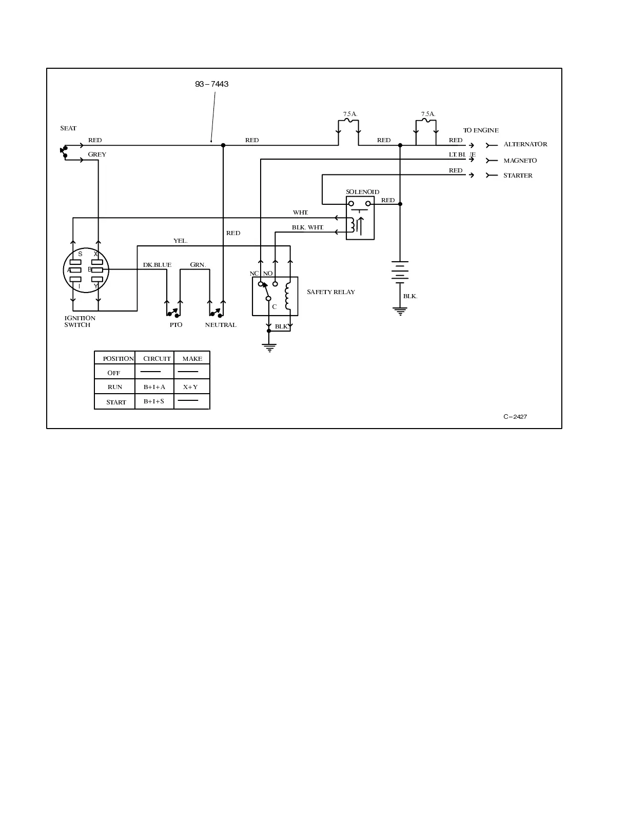
:,5,1* ',$*5$0   5($5 (1*,1( 5,'(56
&
& 
6($7
5('
$ $
*5(<
5(' 5(' 5('
/7 %/8(
5('
62/(12,'
5('
:+7
<(/
5('
%/. :+7
%/.
*51'.%/8(
372 1(875$/
,*1,7,21
6:,7&+
$/7(51$725
72 (1*,1(
0$*1(72
67$57(5
%/.
1& 12
6
$
,
;
%
<
326,7,21 &,5&8,7 0$.(
2))
581
67$57
%,$ ;<
%,6
6$)(7< 5(/$<


Related product manuals