EasyManua.ls Logo

Toro 73550 - Page 45

Toro 73550
56 pages
Print Icon
To Next Page IconTo Next Page
To Next Page IconTo Next Page
To Previous Page IconTo Previous Page
To Previous Page IconTo Previous Page
Loading...
Maintenance
43
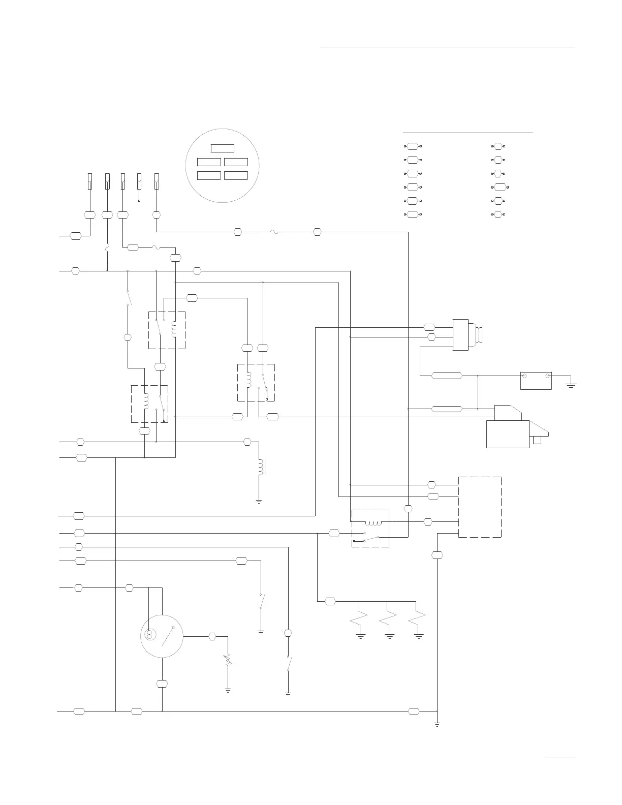
Wiring Diagram
RELAY)
(STARTER
FUSIBLE LINK
-+
I
L
B
ALTERNATOR
W
GY
R
BU
P
P
MODULE
TIMER
GLOW PLUG
1
5
6
4
STARTER
B
ST
FUSIBLE LINK
OR
TEMP SWITCH
Y
GND
BK
GND
BK
GLOW PLUGS
GY
(GLOW PLUG RELAY)
K4
4
5
3
2
1
P
PINK
R
T
VIO
RED
TAN
VIOLET
W
Y
YELLOW
WHITE
BLACK
BROWN
BLUE
GREEN
WIRE COLOR CODES
GREY
ORANGE
RR
F2
15A
R
GN
OR
LOCATIONS VEIWED FROM BACK.
IGNITION SWITCH TERMINAL
BU
P
F1
30A
BK
BN
BU
GN
GY
S
R
5
B
L
B
I
SW4
START--------------B I R S
RUN---------------B I R
RUN/LIGHTS----------B I R L
OFF-----------NO CONNECTION
(IGNITION SWITCH)
SL
RI
4
3 1 2
(SEAT SWITCH)
SW1
F3
10A
PKOR BU
BU
THE SEAT
WHEN OPERATOR IS IN
SEAT SWITCH IS CLOSED
GAUGE
TEMP
P
BK
I
G
S
L
LAMP
#194
T
GND
TEMP SENDER
OIL PRESS
GN
GND
BK
GN BU
T
(SEAT RELAY)
K3
4
5
3
2
1
BK
OR
(INTERLOCK RELAY)
K2
4
5
3
2
1
K1
4
5
3
2
1
BK VIO
SOLENOID
FUEL
GND
Y
OR
P
Y
BK
OR
GY
GN
Y
P
BK

Related product manuals