EasyManua.ls Logo

Toro 74010HD - Page 72

Toro 74010HD
76 pages
Print Icon
To Next Page IconTo Next Page
To Next Page IconTo Next Page
To Previous Page IconTo Previous Page
To Previous Page IconTo Previous Page
Loading...
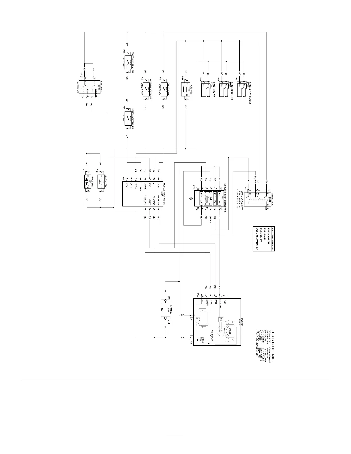
Schematics
g338323
Kawasaki Engines Electrical Schematic—Page 1 (Rev . A)
72

Related product manuals