EasyManua.ls Logo

Toro 74376 - Schematics

Toro 74376
48 pages
Print Icon
To Next Page IconTo Next Page
To Next Page IconTo Next Page
To Previous Page IconTo Previous Page
To Previous Page IconTo Previous Page
Loading...
Schematics
v
(/1
z
°_:__
>100183srl.-I
-_0_...._o _ >-
e,,-
,,-t
i°
o
4-
- i
rn L9
m J_L <
rn €._
Z < m Z
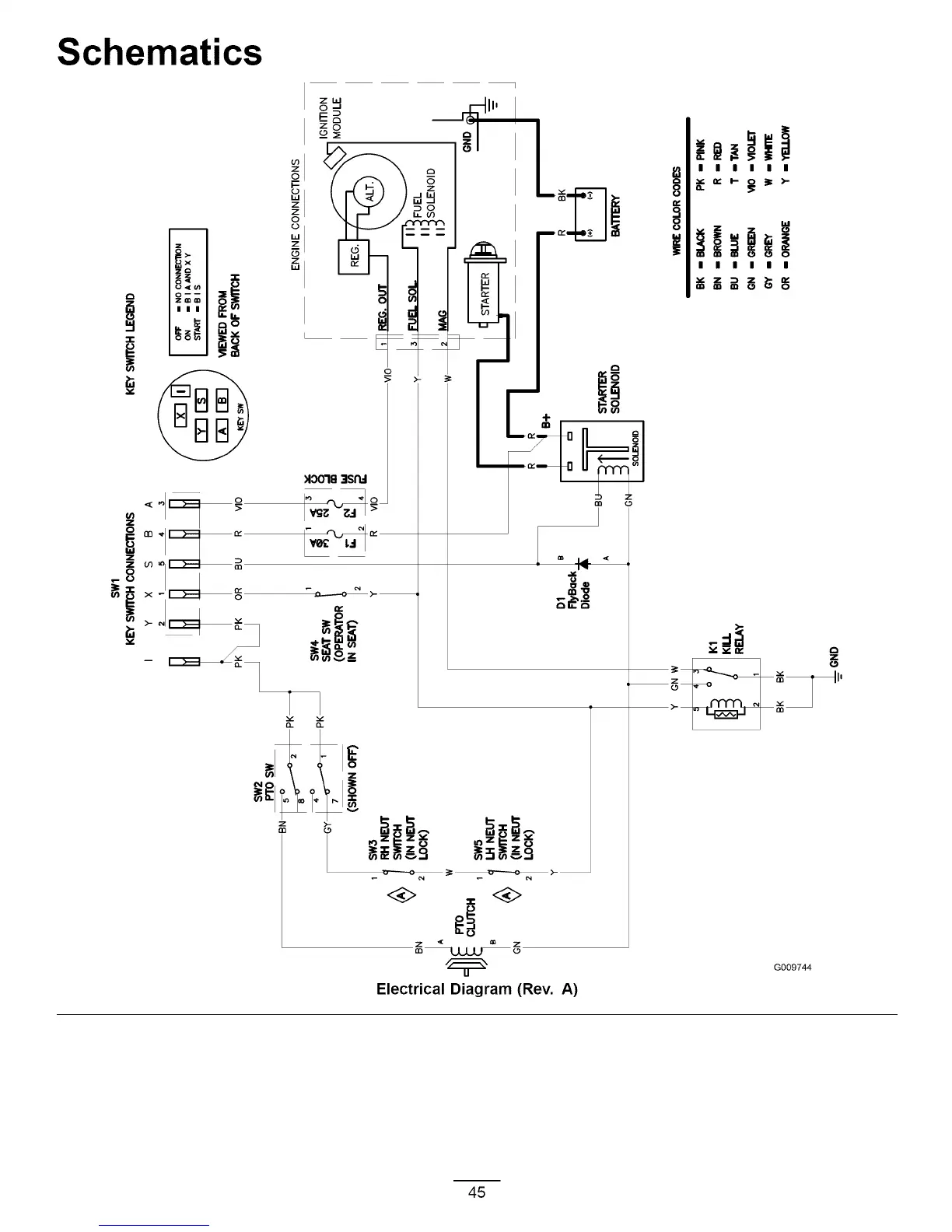
Electrical Diagram (Rev. A)
8
8
aalnan
ILl
I I I I I I
_vn, r_
G009744
45

Related product manuals