EasyManua.ls Logo

Toro 74675 - Page 55

Toro 74675
60 pages
Print Icon
To Next Page IconTo Next Page
To Next Page IconTo Next Page
To Previous Page IconTo Previous Page
To Previous Page IconTo Previous Page
Loading...
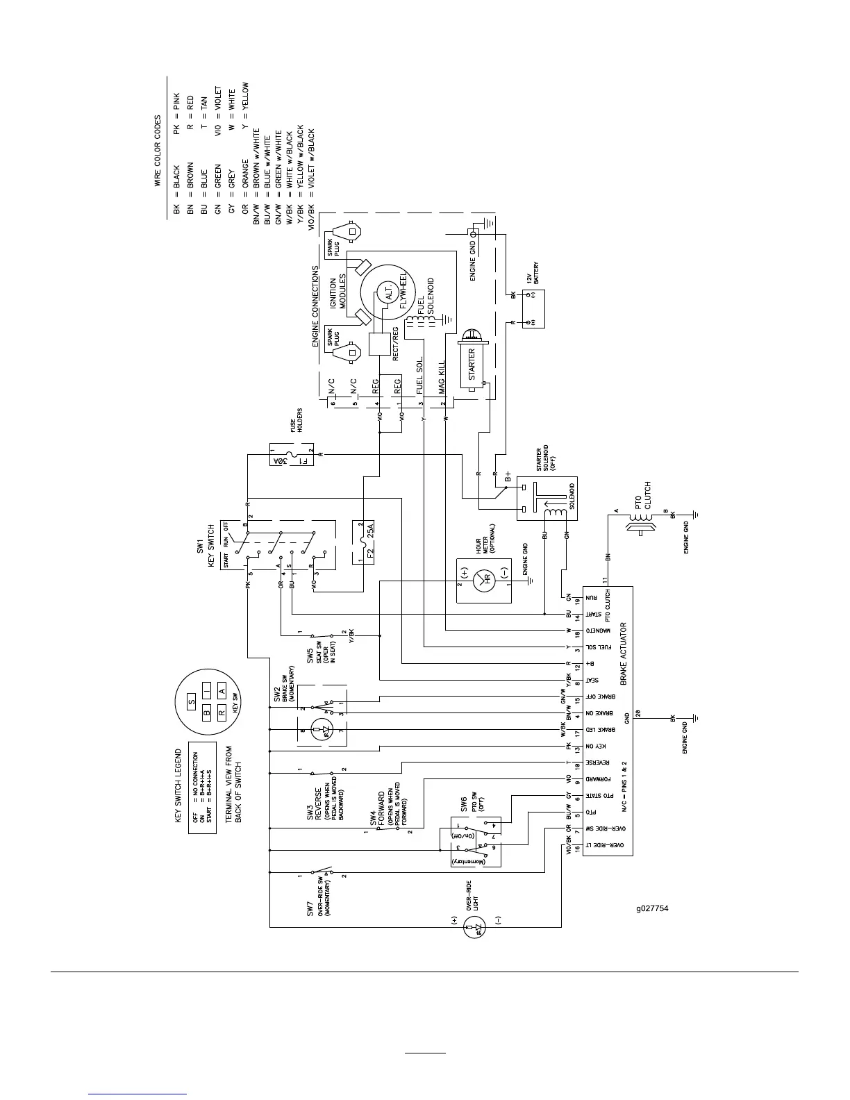
Schematics
ElectricalDiagram(Rev.A)
55

Table of Contents

Related product manuals