EasyManua.ls Logo

Toro 74805 - Wiring Diagram

Toro 74805
60 pages
Print Icon
To Next Page IconTo Next Page
To Next Page IconTo Next Page
To Previous Page IconTo Previous Page
To Previous Page IconTo Previous Page
Loading...
53
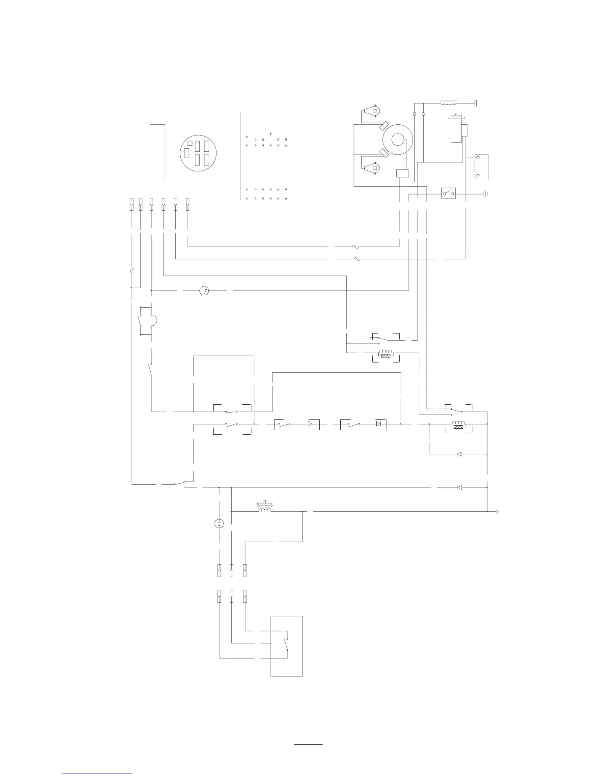
Wiring Diagram
PK
D1
GND
D2
W
(NEUTRAL)
SW2
CLOSED WHEN
TRACTION DRIVE
IS IN NEUTRAL
2
3
5
4
1
K1
(KILL RELAY)
W
Y
Y
BK
SW4
(PTO)
BK
PK
PK
SW5
(BRAKE)
SHOWN WITH
PARK BRAKE
DISENGAGED
GY
47
BUZZER
PTO
CLUTCH
BK
BU
PK
1
Y
SHOWN IN
OFF POSITION
BN
BN
BU
SW3
(NEUTRAL)
CLOSED WHEN
TRACTION DRIVE
IS IN NEUTRAL
BAG SENSOR
GN PK BK
VIO
BN
BN
GN
–+
HOUR METER
Y
OR
Y
GY
CLOSED WHEN
OPERATOR
PRESENT
SW1
(SEAT)
OR
15A
F3
OR
PK
S6
HOPPER SW.
Y
S
B
J7
4
5
2
(IGNITION)
S4
KEY SWITCH PN 88–9830
OFF NO CONNECTION
ON B I A AND X Y
START B I S
R
Y
W
1
X
I
Y
YELLOW
T
TAN
R
RED
PK
PINK
ORANGE
OR
GY
GREY
BN
BROWN
BK
BLACK
BLUE
BU
GREEN
GN
VIOLET
VIO
WHITE
W
I
B
S
X
KEY SW
A
Y
3
A
WIRE COLOR CODES
2
3
5
4
1
K2
(START RELAY)
W
GN
Y
W
BU
25A
F2
F1
30A
R
BU
VIO
W
VIO
1
2
3
5
START
OIL
REG
MAG
AC
AC
IGNITION
MODULES
SPARK PLUGSPARK PLUG
+
OIL
SWITCH
SOLINOID
SHIFT
STARTER
B+
FUEL
SOLINIO
D
GN
R
SWITCH CLOSES
WITH OIL
PRESSURE

Table of Contents

Related product manuals