EasyManua.ls Logo

Toro ProLine 30159 - Wiring Diagram

Toro ProLine 30159
40 pages
Print Icon
To Next Page IconTo Next Page
To Next Page IconTo Next Page
To Previous Page IconTo Previous Page
To Previous Page IconTo Previous Page
Loading...
Maintenance
32
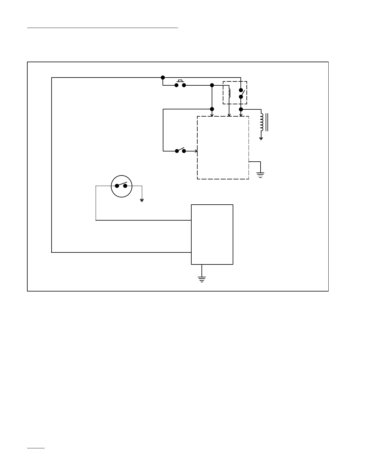
Wiring
Diagram




' (
%"*!
('
*'
+
 *'
 (' "
 " &
! (
! !'
$(% !'&
 )
  #&
"(
'%!'"%
!'"
!!



(
%!

%!
+ *'



Related product manuals