EasyManua.ls Logo

Torrey M-32 - Page 22

Torrey M-32
24 pages
Print Icon
To Next Page IconTo Next Page
To Next Page IconTo Next Page
To Previous Page IconTo Previous Page
To Previous Page IconTo Previous Page
Loading...
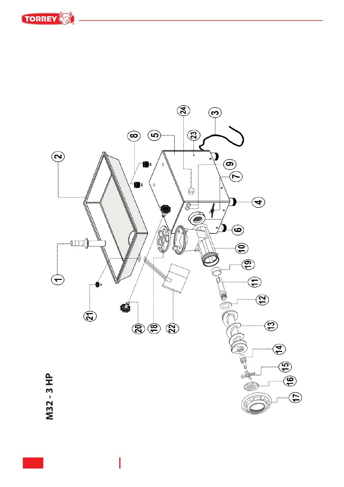
Appendix / Apéndice
MEAT GRINDER DIAGRAM FOR COMPONENTS
DIAGRAMA DE COMPONENTES DEL MOLINO PARA CARNE