EasyManua.ls Logo

Torrey M-32 - Page 23

Torrey M-32
24 pages
Print Icon
To Next Page IconTo Next Page
To Next Page IconTo Next Page
To Previous Page IconTo Previous Page
To Previous Page IconTo Previous Page
Loading...
Modelos M32
Appendix / Apéndice
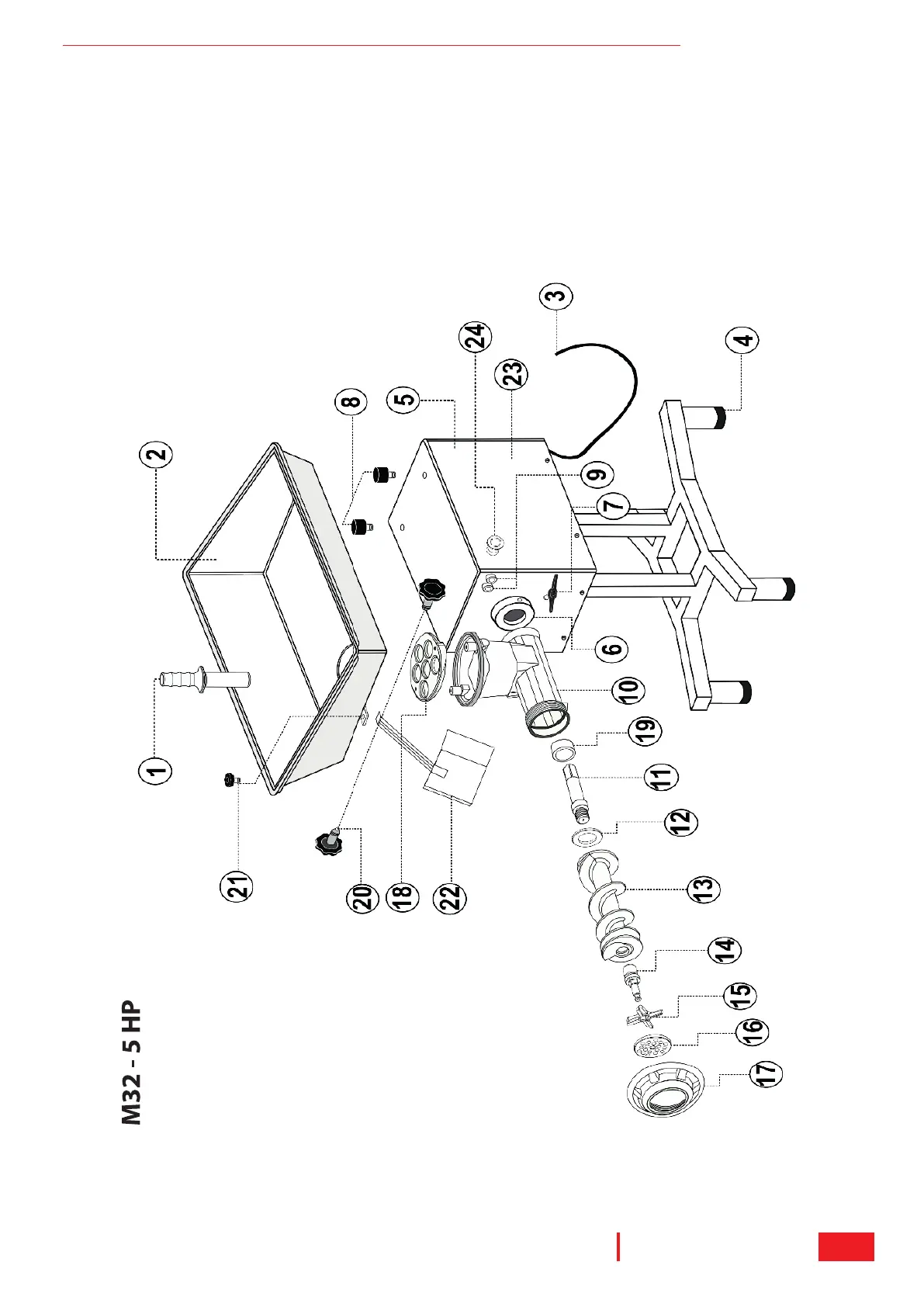
MEAT GRINDER DIAGRAM FOR COMPONENTS
DIAGRAMA DE COMPONENTES DEL MOLINO PARA CARNE