EasyManua.ls Logo

Toyota 4RUNNER 2007 - Rear Window Defogger and Mirror Heater

Toyota 4RUNNER 2007
500 pages
Print Icon
To Next Page IconTo Next Page
To Next Page IconTo Next Page
To Previous Page IconTo Previous Page
To Previous Page IconTo Previous Page
Loading...
330
4RUNNER (EM03M0U)
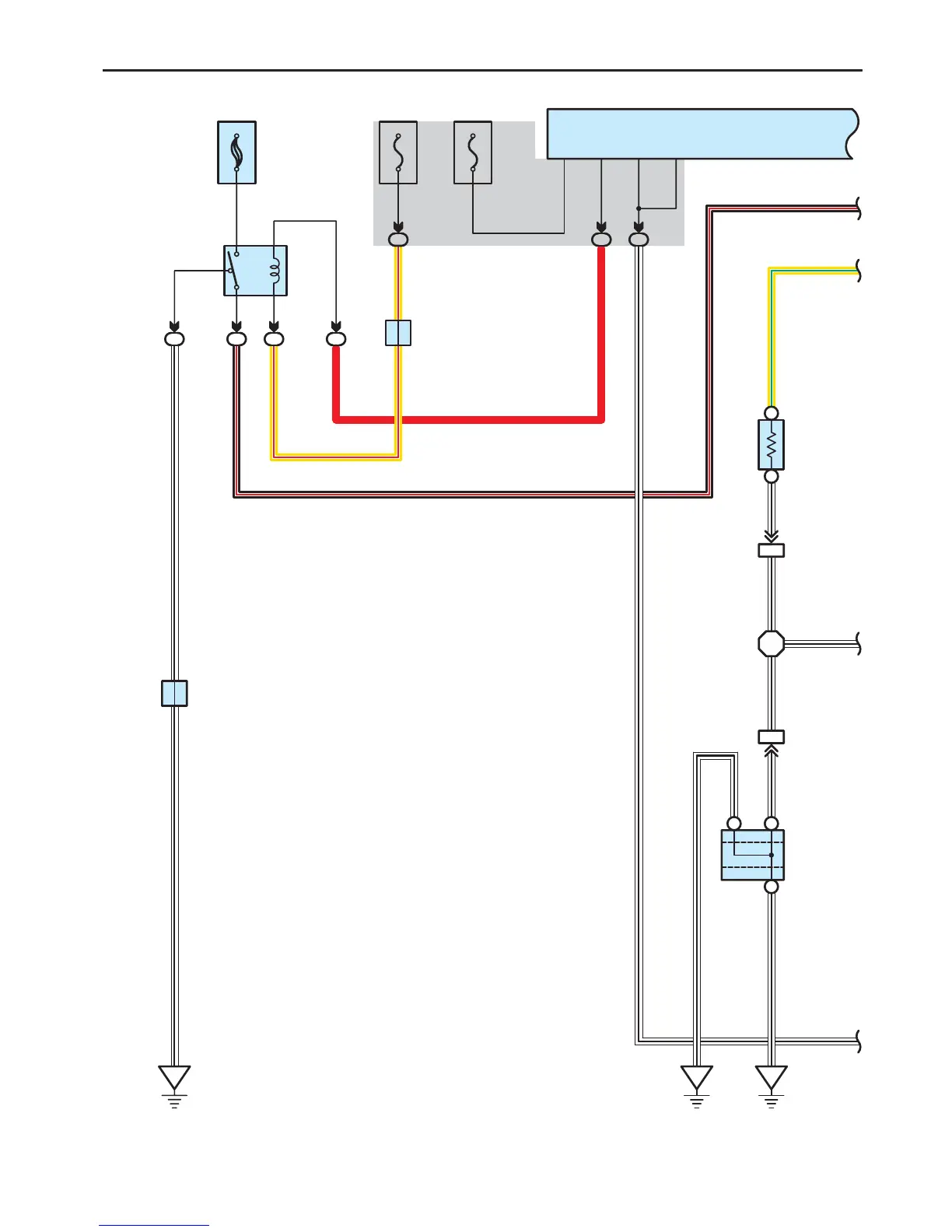
Rear Window Defogger and Mirror Heater
15A
IG1
7. 5A
ACC
EB
B 4
(
A
)
, B 5
(
B
)
ACC
Junction
Connector
J 3
W–B
21H
W–B
16
GND2 GND1
4
B
140A
ALT
32
4
51
222
3
2
1B
2
6
RDEF
R
W–B
B–R
Y–R
R
DEFOG Relay
1E20
E
E
Y–RY–R
J 1
Y–G
A1
B1
BH13
R21
(
A
)
, R22
(
B
)
W–B Y–GW–BW–B
W–B
BD110
W–B
BA
AAAA
BLBO
J40
(
A
)
, J41
(
B
)
W–B
W–B
W–BW–B
B–R
22
Body ECU
Junction
Connector
Junction
Connector
B
Rear Window
Defogger
(
ACC
)(
IG
)(
BAT
)

Table of Contents

Related product manuals