EasyManua.ls Logo

Trackmaster TMX425CP - Page 47

Default Icon
73 pages
Print Icon
To Next Page IconTo Next Page
To Next Page IconTo Next Page
To Previous Page IconTo Previous Page
To Previous Page IconTo Previous Page
Loading...
TRACKMASTER
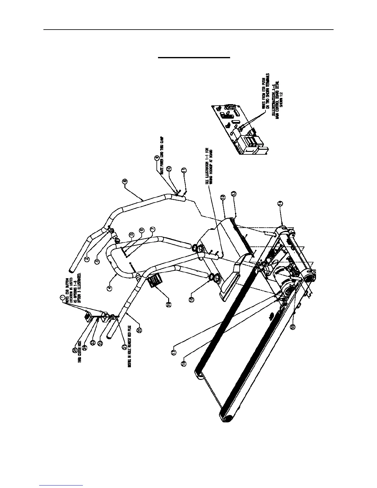
Final Assembly
February 1, 2004 TMX425 Series Owner’s Manual B-13

Related product manuals