EasyManua.ls Logo

Traeger BAC253 - Installing Your Cold Smoker Attachment

Traeger BAC253
7 pages
Print Icon
To Next Page IconTo Next Page
To Next Page IconTo Next Page
To Previous Page IconTo Previous Page
To Previous Page IconTo Previous Page
Loading...
Installing
Your Cold Smoker Attachment
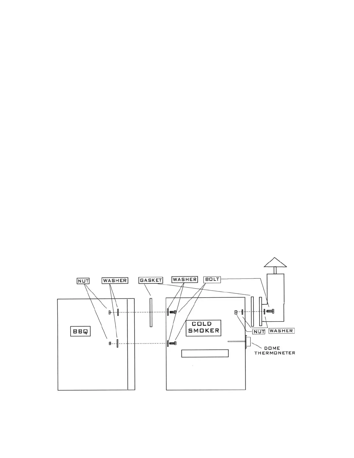
Note: This is a two person task. Do NOT attempt to assemble the
cold smoker without the help of another person!
1) Unbolt the smokestack from your barbecue
2) Insert washers onto the 2-¼” bolts, then place the bolts through
the left hand side of the smoker unit.
3) Slide the gasket over the two bolt ends.
4) Carefully pick up the cold smoker unit and insert the 2-¼” bolts
through the outside bolt holes of the smoker body.
5) Place a washer on the bolt end before installing and tightening
the nuts onto the bolts.
6) Install the bolt in the center hole of both barrel ends.
7) Re-attach the smokestack on the outside of the cold smoker unit.
8) Install the Dome Thermometer on the right hand side of the cold
Smoker as indicated by the illustration.
9) Install handle on the cold smoker door.
10) Place the two grills inside the cold smoker.
11) You are ready to cold smoke!

Other manuals for Traeger BAC253

Related product manuals