EasyManua.ls Logo

Trane BAYECON203AA - Page 9

Trane BAYECON203AA
15 pages
Print Icon
To Next Page IconTo Next Page
To Next Page IconTo Next Page
To Previous Page IconTo Previous Page
To Previous Page IconTo Previous Page
Loading...
9
INSTALLER’S GUIDE
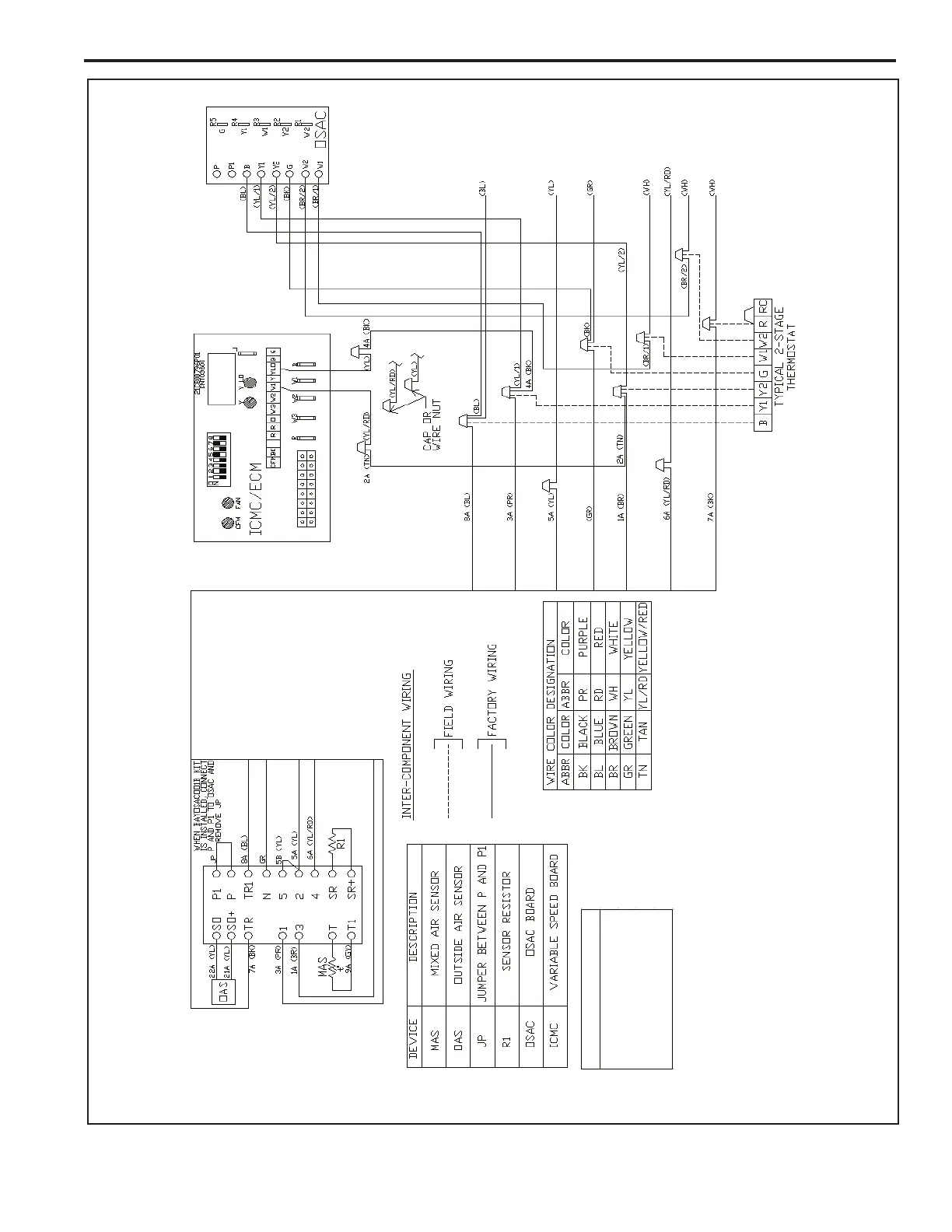
Figure 9. *YCZ Economizer Connection Diagram
A
A
A
A
A
A
A
ACCESSORY MODELS
BAYECON103AA/AB/ AC
BAYECON104AA/AB/ AC
BAYECON203AA/ AB/AC
BAYECON204AA/ AB/AC
IMPORTANT-Retain this wiring diagram; please return this document to service information pack upon completion of work.
Wiring Diagram for Economizer Using a Honeywell W7212 Logic

Related product manuals