EasyManua.ls Logo

Trane VariTrane LDEF - Single Duct Wiring Diagrams

Trane VariTrane LDEF
64 pages
Print Icon
To Next Page IconTo Next Page
To Next Page IconTo Next Page
To Previous Page IconTo Previous Page
To Previous Page IconTo Previous Page
Loading...
40
VAV-SVX08R-EN
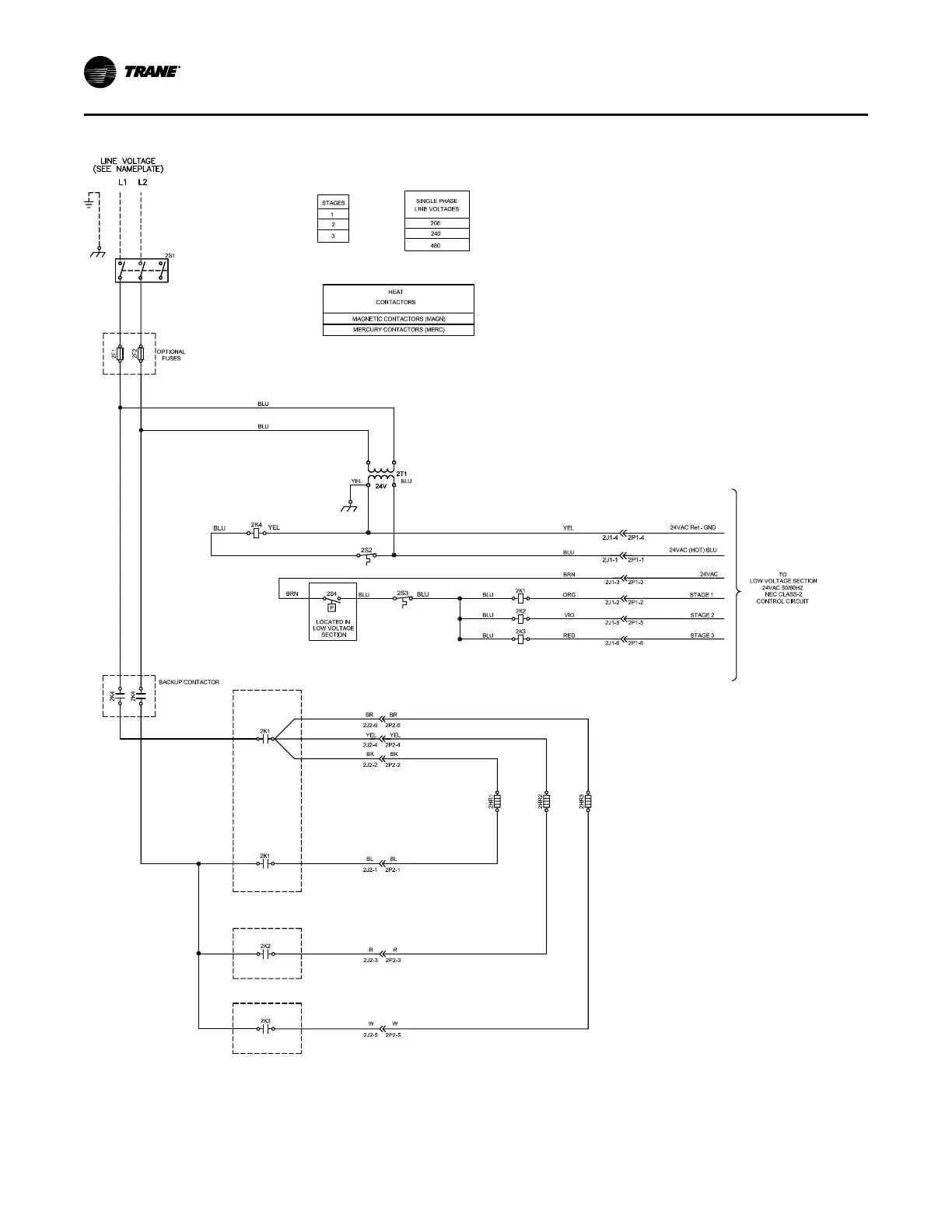
Figure 27. Single duct, single phase, 2 legs, 3 stages
WWiirriinngg DDiiaaggrraammss

Related product manuals