FOR SERIES FAN POWERED TERMINAL UNITS ONLY.
EXTERNAL TO CONTROL BOX.
OPTIONAL OR ALTERNATE CIRCUITRY
DISCONNECT SWITCH, FUSE, & SCR ARE LOCATED
DETERMINED BY MOTOR VOLTAGE ON ORDER.
FUSE IS OPTIONAL.
VOLTAGE FOUND ON UNIT NAMEPLATE.
5.
4.
3.
FACTORY INSTALLED
BY OTHERS
2.
NOTES:
1.
NO
P.E. SWITCH-2
CC
P.E. SWITCH-1
BK
NC
BK
NC
BK
NO
5.
W
G
BK
R
NEUT.
RED
24V
RED
BL
NEUT.
RED
24V
RED
R
BK
W
G
BL
BL
4
W
G
R
BK
NEUT.
RED
BK
24V
RED
24V
3
1
2
BOARD
ECM
BOARD
ECM
MOTOR
RELAY
BOARD
ECM
OR FROM HEATER TERMINAL
LINE VOLTAGE
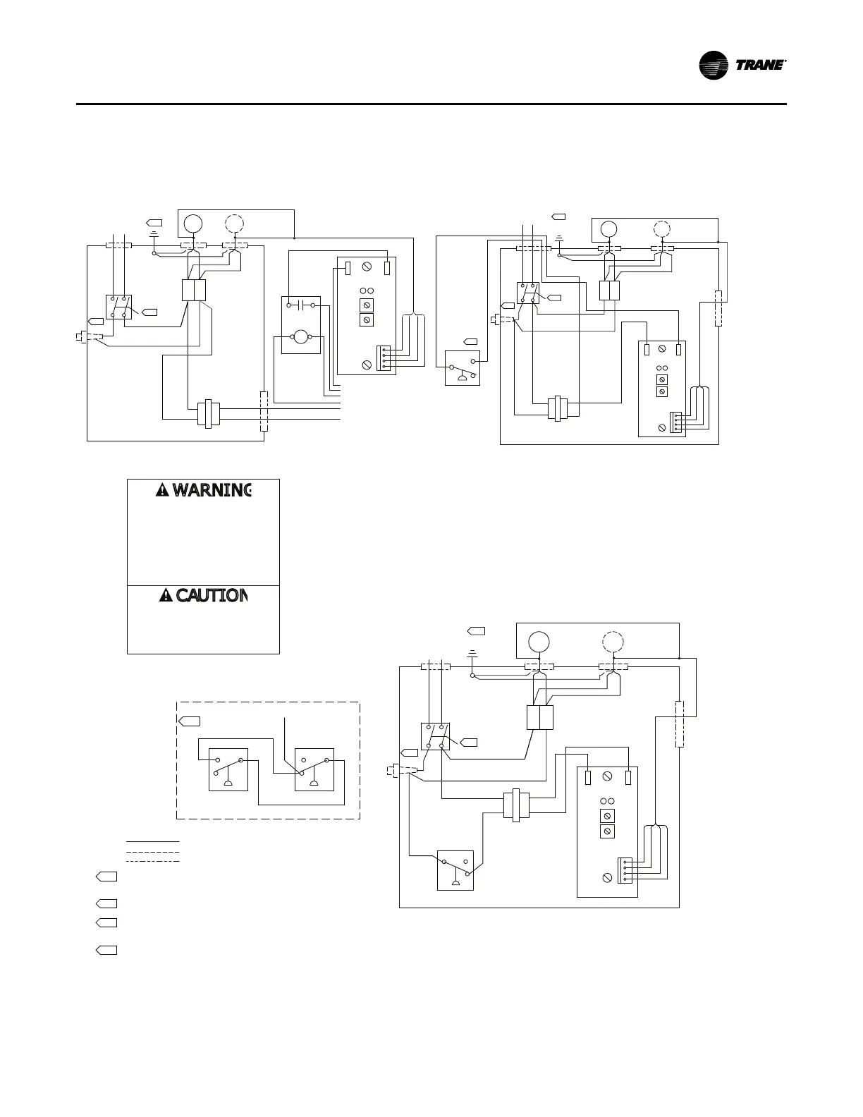
Fan-Powered Low-Height Control Box w/ ECM
DUCT PRESSURE MAIN CONTROL
Duct Pressure Switch Option
(SIZE 10 ONLY)
DISCONNECT
SWITCH
FUSE
3.
TRANSFORMER
BK
BLOCK
TERMINAL
W
2.
24V
BL
Y
BK
W
FAN
MOTOR
GR
GREEN
GROUND
SCREW
4.
W
BK
BK
W
MOTOR 2
FAN
TO VAV
OR FROM HEATER TERMINAL
LINE VOLTAGE
MOTOR
BL
DUCT
SWITCH
PRESSURE
TRANSFORMER
BL
BK
24V
Y
BL
C
NC
NO
FUSE
3.
BK
BK
DISCONNECT
SWITCH
2.
W
W
SCREW
GROUND
GREEN
GR
W
BK
4.
Y
BK
TERMINAL
BLOCK
W
FAN FAN
(SIZE 10 ONLY)
MOTOR 2
CONTROLLER
NO
P.E. SWITCH
C
NC
DISCONNECT
SWITCH
FUSE
3.
BK
W
TRANSFORMER
BK
24V
BL
Y
BLOCK
TERMINAL
2.
W
GROUND
SCREW
GREEN
BK
W
GR
4.
FAN
MOTOR
Y
W
BK
(SIZE 10 ONLY)
MOTOR 2
FAN
LINE VOLTAGE
OR FROM HEATER TERMINAL
5.
Y
CAUTION
WARNING
}
}
Fan-Power
ed Low-Height Control Box
w/ ECM with Electronic or DDC Controls
(Depending on the size of the unit, the ECM board
may or may not be located in the fan control box.)
Fan-Powered Low-Height Control Box
w/ ECM
FAN CONTROL BOX
FAN CONTROL BOX
FAN CONTROL BOX
CAPACITORS BEFORE SERVICING.
DISCHARGE MOTOR START/RUN
FAILURE TO DISCONNECT POWER
BEFORE SERVICING CAN CAUSE
SEVERE PERSONAL INJURY OR DEATH.
UNIT TERMINALS ARE NOT DESIGNED
TO ACCEPT OTHER TYPES OF
FAILURE TO DO SO MAY CAUSE
DAMAGE TO THE EQUIPMENT.
USE COPPER CONDUCTORS ONLY!
CONDUCTORS.
SERVICING.
REMOTE DISCONNECTS BEFORE
HAZARDOUS VOLTAGE!
DISCONNECT, LOCK OUT AND TAG
ALL ELECTRIC POWER INCLUDING
}
}