EasyManua.ls Logo

Transcend CompactFlash 400X - True IDE Ultra DMA Mode Timing

Transcend CompactFlash 400X
88 pages
Print Icon
To Next Page IconTo Next Page
To Next Page IconTo Next Page
To Previous Page IconTo Previous Page
To Previous Page IconTo Previous Page
Loading...
T
T
T
S
S
S
1
1
1
6
6
6
G
G
G
~
~
~
6
6
6
4
4
4
G
G
G
C
C
C
F
F
F
4
4
4
0
0
0
0
0
0
400X CompactFlash Card
Transcend Information Inc.
V1.0
31
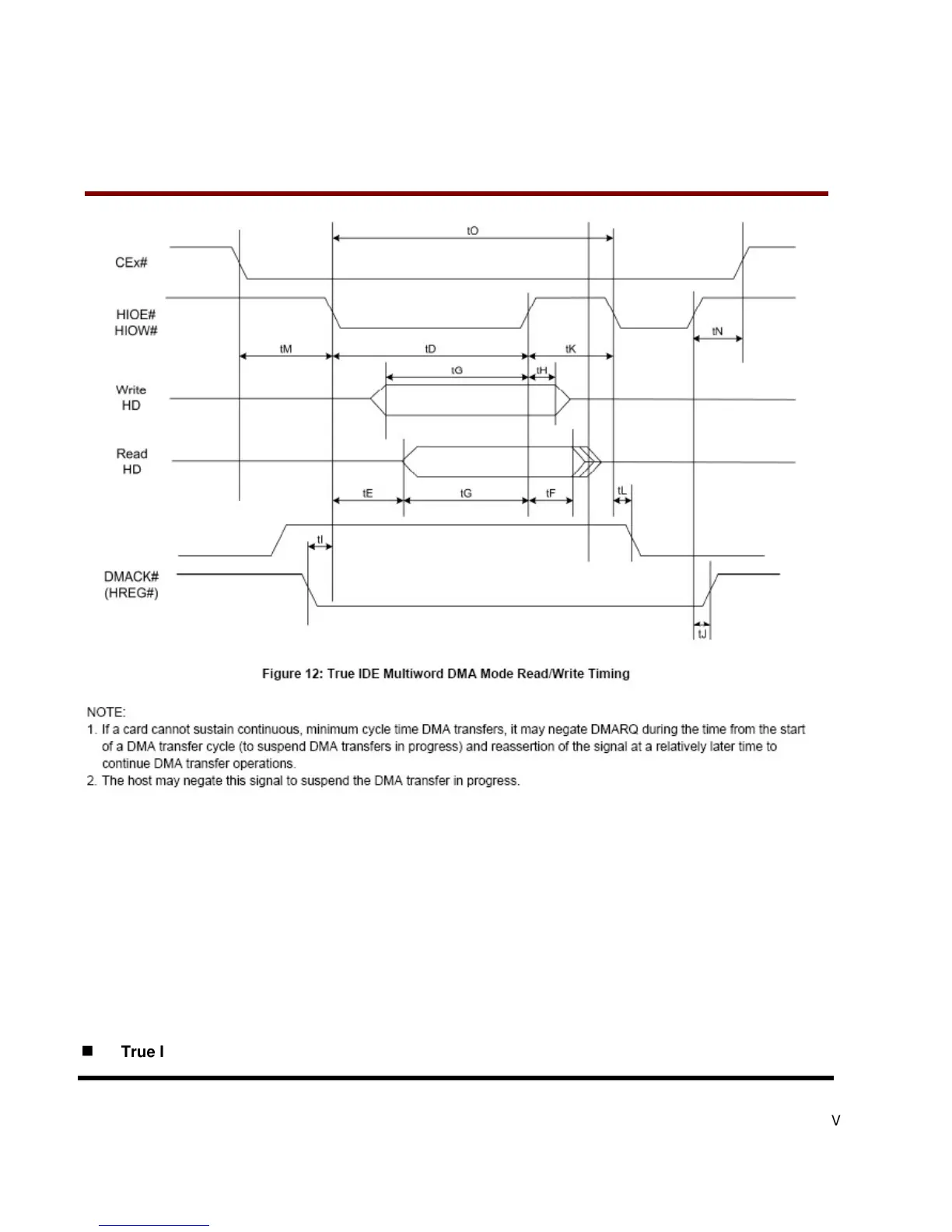
True IDE Ultra DMA Mode Read/Write Timing Specification
Ultra DMA operations can take place in any of the three basic interface modes: PC Card Memory mode, PC Card I/O mode,

Related product manuals