EasyManua.ls Logo

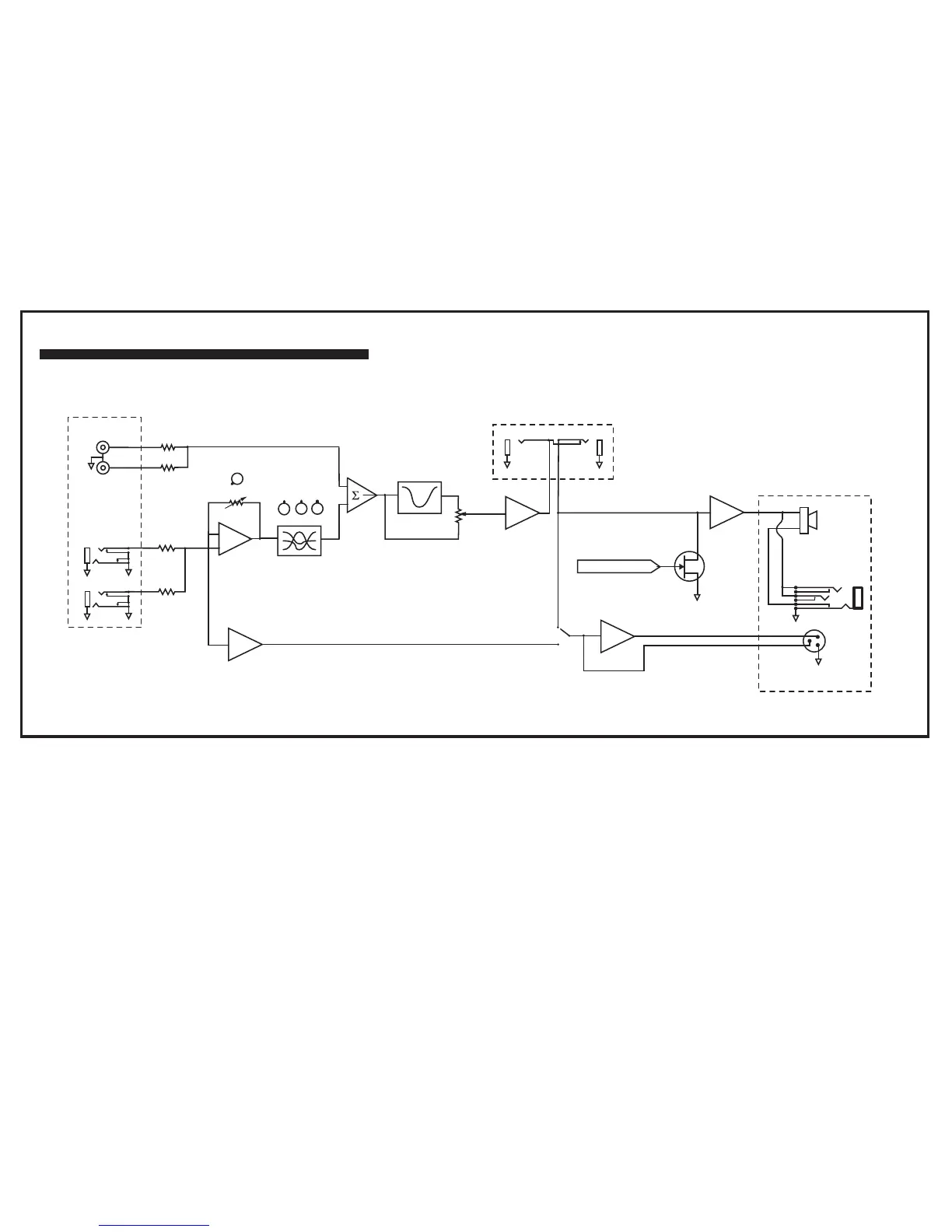
Traynor TB100 - Block Diagram

Traynor TB100
7 pages
Print Icon
To Next Page IconTo Next Page
To Next Page IconTo Next Page
To Previous Page IconTo Previous Page
To Previous Page IconTo Previous Page
Loading...
Block Diagram for TB100
AMP
Woofer
4 ohms
Input Gain Pot
EQ
Buffer
BLOCK-DIAG-tb100-00-2v2.ai
Inputs
Speaker and
Headphone Outputs
Low / Mid / High
0 dB Unbalanced Input
Line-In
Scoop Filter
Phones
Buffer
Stereo 1/4"
RCA
+
From Rectified AC Line
Power-Off
Speaker Mute
-6 dB Unbalanced Input
Stereo 1/4"
EFX ReturnEFX Send
Effects Loop
MODEL TYPE: YS1060
POST
PRE
Balanced Line Out
Scoop Pot
DESIGNED BY YORKVILLE SOUND

Related product manuals