EasyManua.ls Logo

Trebs 21131 - Electrical Circuits

Trebs 21131
Print Icon
To Next Page IconTo Next Page
To Next Page IconTo Next Page
To Previous Page IconTo Previous Page
To Previous Page IconTo Previous Page
Loading...
- 41 -
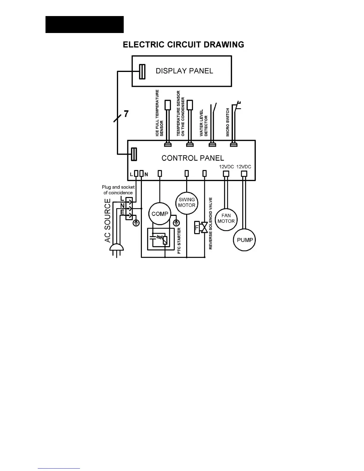
Electrical circuits

Related product manuals