EasyManua.ls Logo

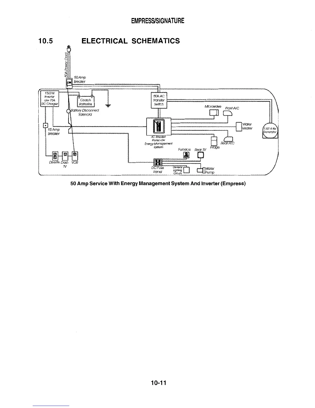
Triple E 2001 Empress series - Electrical Schematics

Default Icon
140 pages
Print Icon
To Next Page IconTo Next Page
To Next Page IconTo Next Page
To Previous Page IconTo Previous Page
To Previous Page IconTo Previous Page
Loading...

Table of Contents

Related product manuals