EasyManua.ls Logo

Triumph Rocket 3 GT 2021 - Page 1357

Triumph Rocket 3 GT 2021
1556 pages
Print Icon
To Next Page IconTo Next Page
To Next Page IconTo Next Page
To Previous Page IconTo Previous Page
To Previous Page IconTo Previous Page
Loading...
1319
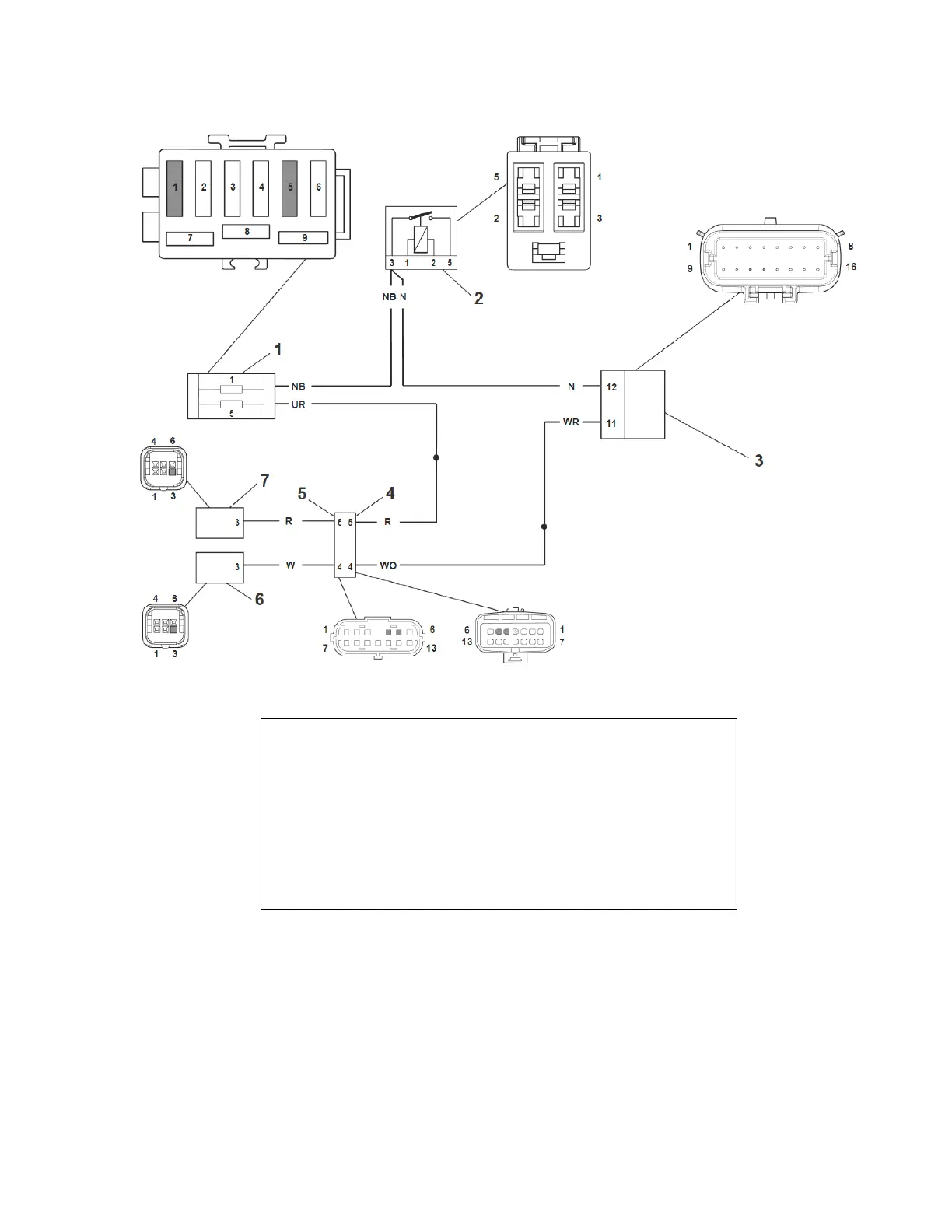
Circuit diagram
1. Fuse box
2. Ignition relay
3. Keyless ECM
4. Switch housing subharness (main harness side)
5. Switch housing subharness (subharness side)
6. Right hand switch housing black connector
7. Right hand switch housing grey connector

Related product manuals