EasyManua.ls Logo

Triumph Rocket 3 GT 2021 - Page 679

Triumph Rocket 3 GT 2021
1556 pages
Print Icon
To Next Page IconTo Next Page
To Next Page IconTo Next Page
To Previous Page IconTo Previous Page
To Previous Page IconTo Previous Page
Loading...
651
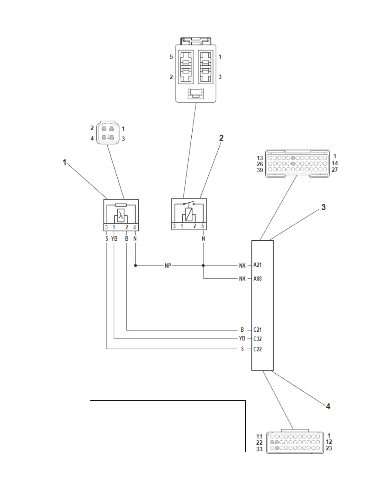
1. Oxygen Sensor
2. Engine Management System Relay
3. Engine ECM Connector A
4. Engine ECM Connector C

Related product manuals