EasyManua.ls Logo

Triumph Rocket 3 GT 2021 - Page 740

Triumph Rocket 3 GT 2021
1556 pages
Print Icon
To Next Page IconTo Next Page
To Next Page IconTo Next Page
To Previous Page IconTo Previous Page
To Previous Page IconTo Previous Page
Loading...
702
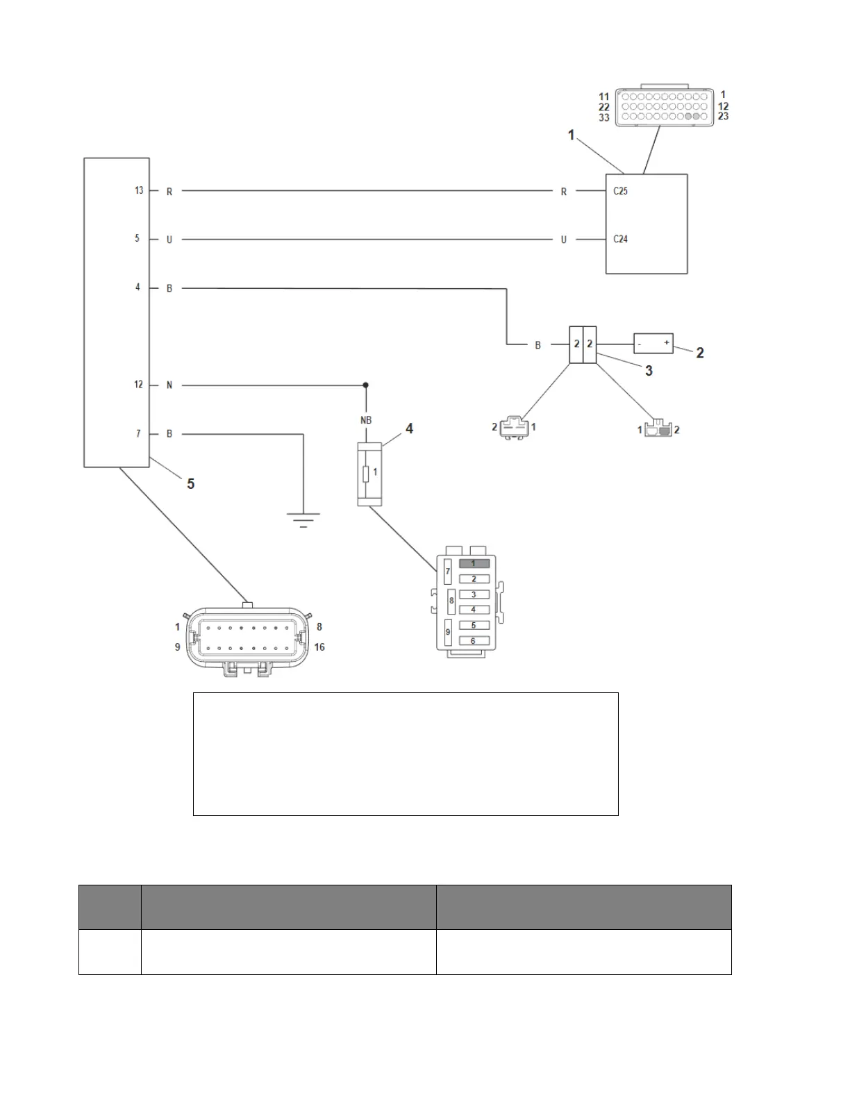
1. Engine ECM Connector C
2. Battery
3. Battery subharness
4. Fuse Box
5. Keyless Module
EMS Ignition Voltage Input Circuit
Fault
Code
Possible cause
Action
P1659
Ignition power supply malfunction
Disconnect engine ECM and proceed
to pinpoint test 1:

Related product manuals