EasyManua.ls Logo

Triumph TR3 - Page 207

Triumph TR3
422 pages
Print Icon
To Next Page IconTo Next Page
To Next Page IconTo Next Page
To Previous Page IconTo Previous Page
To Previous Page IconTo Previous Page
Loading...
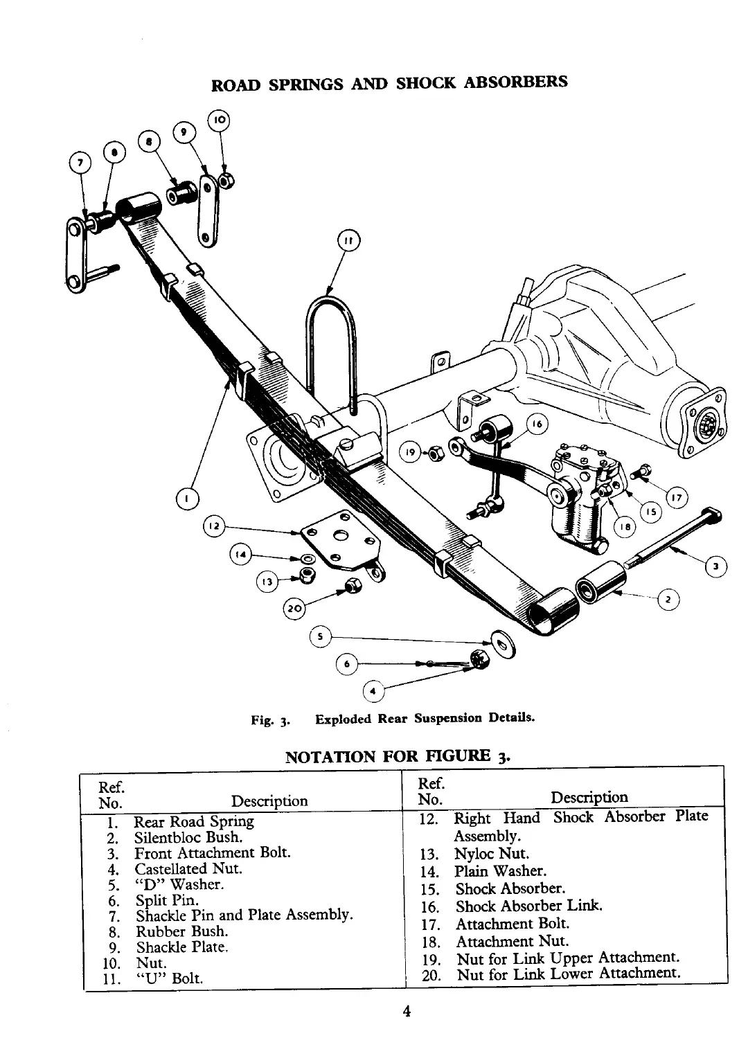
ROAD SPRINGS
AND
SHOCK ABSORBERS
Fig.
3.
Exploded Rear Suspension Details.
NOTATION FOR
FIGURE
3.
Ref.
No. Description
1. Rear Road Spring
2.
Silentbloc Bush.
3.
Front Attachment Bolt.
4.
Castellated Nut.
5.
"D" Washer.
6.
Split Pin.
7.
Shackle Pin and Plate Assembly.
8. Rubber Bush.
9. Shackle Plate,
10. Nut.
l l.
"U"
Bolt.
Ref.
No. Description
12. Right Hand Shock Absorber Plate
Assembly.
13. Nyloc Nut.
14. Plain Washer.
15. Shock Absorber.
16. Shock Absorber Link.
17. Attachment Bolt.
18. Attachment Nut.
19. Nut for Link Upper Attachment.
20. Nut for Link Lower Attachment.

Other manuals for Triumph TR3

Related product manuals