EasyManua.ls Logo

Trumeter 7921 - Page 17

Trumeter 7921
40 pages
Print Icon
To Next Page IconTo Next Page
To Next Page IconTo Next Page
To Previous Page IconTo Previous Page
To Previous Page IconTo Previous Page
Loading...
Relais (voir page 38)
Les relais P1 et P2 peuvent être programmés indépendamment pour être normalement ouverts
ou normalement fermés. Les contacts d'un relais normalement fermé s'ouvriront lorsque le relais
sera en fonctionnement, et les contacts d'un relais normalement ouvert se fermeront.
Les relais peuvent être programmés indépendamment afin de fonctionner en mode pulsé ou en
mode verrouillé. En mode pulsé (Le relais P1: uniquement
Auto reset désactivé
), le relais
fonctionnera pendant une durée déterminée par le programme. En mode verrouillé, le relais
restera activé et cet état perdurera jusqu'à ce qu'il soit réinitialisé.
Les relais peuvent être programmés pour récupérer un état réputé sûr en cas de panne de
courant ou sur entrée d'un mode de programme. Les trois alternatives sont les suivantes :
Current / Idem
- les contacts conserveront le meme etat qu'avant l'evenement;
Reset / Remise à zéro
- retour à l'état normal non activé des contacts;
Set / préréglé
- retour à l'état activé des contacts.
17
8
9
12
13
14
13
12
9
8
10
10
14
–V
–V–V
–V
Sens de comptage (voir page 36)
Quel que soit le mode, la sens de comptage est dépendante du mode de Réinitialisation (voir
Programmation
) et du câblage Récepteur/Source, ainsi que le montre les diagrammes. La sens
de comptage et les fronts d'impulsion qui déclenchent le compte sont signalés par les flèches.
En mode unidirectionnel, les directions de compte obtenues par le circuit ouvert d'alimentation B
sont marquées par une étoile *.
Remarque: La sens de comptage ne doit pas changer en moins de 25 µs, faute de quoi
l'unité est susceptible de ne pas fonctionner correctement.
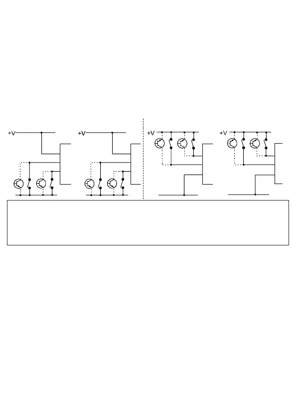
Entrées (NPN)
Entrées (PNP)
Polarité des entrées (voir page 37)
Les alimentations opto-isolées A et B (broches 8 et 9) peuvent être des alimentations sources
ou récepteurs à courant continu en fonction de la façon dont elles sont connectées, en tenant
compte de leur alimentation normale (broche 10), ainsi que le montre les exemples ci-dessous
et les exemples des pages 37 et 38.
Les alimentations opto-isolées K et R (broches 12 et 13) peuvent être des alimentations sources
ou récepteurs à courant continu ou à courant alternatif en fonction de la façon dont elles sont
connectées, en tenant compte de leur alimentation normale (broche 14), ainsi que le montre les
exemples ci-dessous et les exemples des pages 37 et 38.
Ces deux ensembles d'entrées sont totalement isolés l'un de l'autre, et sont également isolés
des bornes d'alimentation.
Remarque : entrées « commun » 10 et 14
Ces bornes doivent toujours être correctement raccordées pour le bon fonctionnement de leurs
entrées.
Pour les signaux CC, à +V ou -V, comme sur les exemples ci-dessus et de la page 37.
Pour les signaux CA , (12/13/14 uniquement) voir l'exemple 4 de la page 37.
Sections des fils
Le connecteur permet de le raccordement de fils jusqu'à 2,5mm², diamètre de 1.8mm
(équivalent à conducteur rigide 13 AWG).

Related product manuals