EasyManua.ls Logo

Trumeter 7931 - Page 23

Trumeter 7931
40 pages
Print Icon
To Next Page IconTo Next Page
To Next Page IconTo Next Page
To Previous Page IconTo Previous Page
To Previous Page IconTo Previous Page
Loading...
Relé (ver página 38)
Este es un relé monopolar de doble conmutación, con un contacto común, un contacto
normalmente abierto, y un contacto normalmente cerrado. El indicador del Estado del Relé en el
panel frontal muestra el estado del contacto normalmente abierto.
El relé puede programarse operando en modo pulsado o bloqueado. En el modo pulsado, el relé
operará por el período de tiempo establecido por el programa. En el modo bloqueado (Sólo
Reset Automático Desactivado
), el relé operará y permanecerá en esa condición, hasta , hasta
el Reset RST/Ext.
El relé puede programarse para volver a un estado de seguridad conocido en caso de una falla
en la alimentación o en la entrada del modo de programa. Las tres alternativas son:
Corriente
- los contactos permanecerán en el mismo estado anterior al evento;
Reset
- los contactos volverán a su estado normal, no operantes;
Configuración
- los contactos volverán al estado de operación.
Dirección del Contaje y del Cronometraje
En todos los modos, la dirección del contaje y del cronometraje dependen del modo de
Reset (ver
Programación
). Tanto la entrada CH como la entrada CT se pueden usar en el
modo Contaje, pero sólo la entrada CT puede usarse en el modo Temporizador (ver
Programación
).
Los límites que provocan el contaje en el modo Contaje, como se muestran mediante las
flechas debajo indicadas.
t
tt
t
23
Nota: Clavijas Comunes 10 y 14
Estas clavijas generalmente deben ser conectadas correctamente para sus entradas de trabajo.
Para señales de C.C., a +V o -V, como se muestra en los ejemplos anteriores y en la página 37.
Para señales de C.A. (sólo 12/13/14), como se muestra en los ejemplos 3 y 4 en la página 37.
8
9
12
13
14
13
12
9
8
10
10
14
–V
–V
–V
–V
Entrada tipo Sink (NPN)
Entrada tipo Source (PNP)
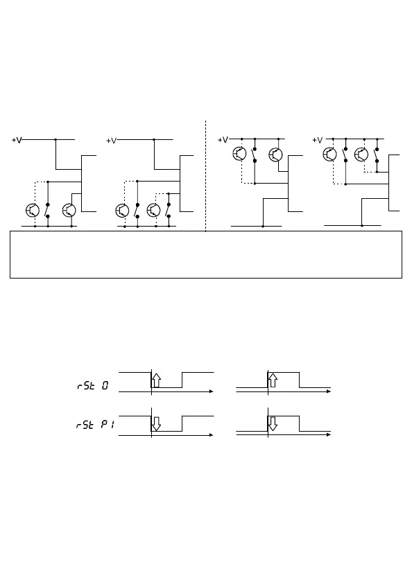
Polaridad de Entrada (ver páginas 37 y 38)
Las entradas opto-aisladas CH y K (clavijas 8 y 9) pueden ser entradas C.C. tipo sink o
source, dependiendo de la manera en que están cableadas con respecto a la entrada Común
(clavija 10),como se muestra en los ejemplos debajo indicados y en las páginas 37 y 38.
Las entradas opto-aisladas CT y R (clavijas 12 y 13) pueden ser entradas C.A. o C.C.
tipo sink o source, dependiendo de la manera que están cableadas, con respecto a la
entrada Común (clavija 14), como se muestra en los ejemplos debajo indicados y en las
páginas 37 y 38.
Estos dos conjuntos de entradas están completamente aislados uno del otro, y también
por las clavijas de alimentación.
tipo Sink (NPN)
modo
Contaje
tipo Source (PNP)

Related product manuals