EasyManua.ls Logo

Trumeter 7931 - Page 5

Trumeter 7931
40 pages
Print Icon
To Next Page IconTo Next Page
To Next Page IconTo Next Page
To Previous Page IconTo Previous Page
To Previous Page IconTo Previous Page
Loading...
Relay (see page 38)
This is a single pole double throw relay, with a common contact, a normally open contact,
and a normally closed contact. The Relay State indicator on the front panel shows the
state of the normally open contact.
The relay can be programmed to operate in pulsed or latched mode. In pulsed mode the
relay will operate for a length of time set by the program. In latched mode (
Auto Reset Off
only) the relay will operate, and stay in that condition until RST/Ext. Reset.
The relay can be programmed to revert to a known safe state in the event of a power
failure or on entering program mode. The three alternatives are:
Current
- the contacts will remain in the same state as before the event;
Reset
- the contacts will revert to their normal, unoperated state;
Set
- the contacts will revert to their operated state.
5
Note: Common Pins 10 and 14
These pins must always be correctly connected for their inputs to work.
For dc signals, to +V or -V, as shown in the examples above and on page 37.
For ac signals (12/13/14 only), as shown in examples
3
and
4
on page 37.
8
9
12
13
14
13
12
9
8
10
10
14
–V
–V
–V
–V
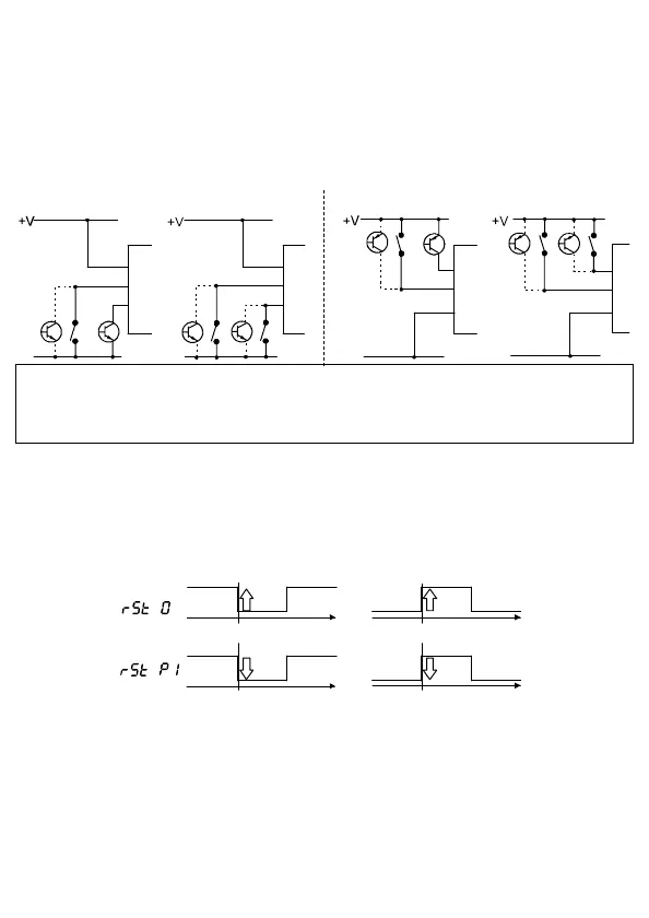
Sink (NPN) Inputs
Source (PNP) Inputs
Input Polarity (see pages 37 and 38)
The opto-isolated inputs CH and K (pins 8 and 9) can be sink or source dc inputs,
depending on the way they are wired, with respect to their Common input (pin 10), as
shown in the examples below, and on pages 37 and 38.
The opto-isolated inputs CT and R (pins 12 and 13) can be sink or source ac or dc inputs,
depending on the way they are wired, with respect to their Common input (pin 14), as
shown in the examples below and on pages 37 and 38.
These two sets of inputs are completely isolated from each other, and also from the
supply pins.
t
tt
t
Sink (NPN)
Count
mode
Source (PNP)
Count and Timing Direction
In all modes, count and timing direction is dependent on Reset mode (see
Programming
).
Either Input CH or Input CT can be used in Counter mode, but only Input CT can be used
in Timer mode (see
Programming
).
The edges that trigger the count in Count mode are shown by the arrows below.

Related product manuals