EasyManua.ls Logo

Trumeter Durant E4148793 - Page 36

Trumeter Durant E4148793
40 pages
Print Icon
To Next Page IconTo Next Page
To Next Page IconTo Next Page
To Previous Page IconTo Previous Page
To Previous Page IconTo Previous Page
Loading...
36
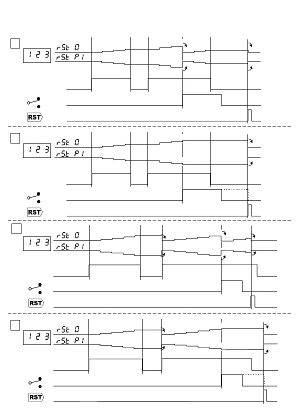
Timer Modes, Zeitzählermodi, Modes Minuteur,
Modo Temporizador, Modalità Timer
CT
0
0
P1
... ...
P1
/ R
0
P1
CT
0
0
P1
... ...
P1
/ R
1
2
CT
/ R
0
0
0
0
P1
P1
P1
... ...
P1
CT
/ R
0
0
P1
... ...
P1
0
P1
3
4

Related product manuals