EasyManua.ls Logo

Trumeter Durant E4148793 - Page 37

Trumeter Durant E4148793
40 pages
Print Icon
To Next Page IconTo Next Page
To Next Page IconTo Next Page
To Previous Page IconTo Previous Page
To Previous Page IconTo Previous Page
Loading...
37
220V
12V
+V
-V
7
2
6
1
24V
+V
-V
21
220V
7
2
6
1
50V
5V
+V
+V
-V
-V
24V
2
1
1
2
3
4
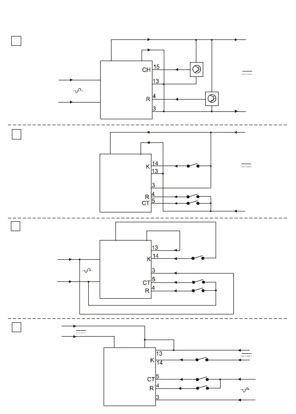
Input examples, Anschlussbeispiele, Exemples d'Entrées,
Ejemplos de entrada, Esempi di ingresso

Related product manuals