Home
Trumeter
Cash Counter
Durant E4148793
Page 38
Trumeter Durant E4148793 - Page 38
40 pages
Manual
Save Page as PDF
To Next Page
To Next Page
To Previous Page
To Previous Page
Loading...
38
220V
7
6
12
11
10
120V
30V
7
6
12
11
10
220V
24V
2
12
11
10
1
7
2
+V
0V
6
12
11
1
0
K
15
5
14
4
13
3
CT
CH
R
1
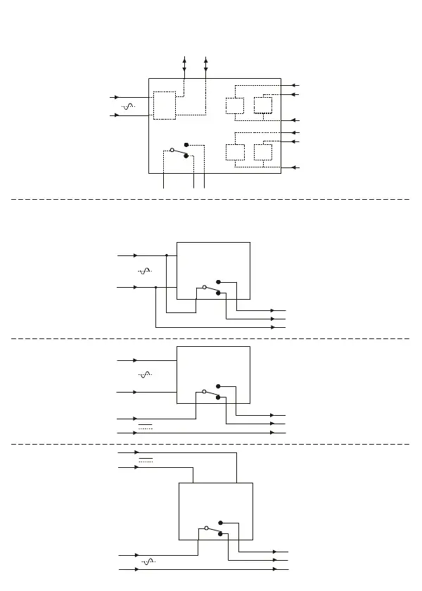
Relay examples, Beispiele Relaisanschlüsse,
Exemples de Relais, Ejemplos de Relé, Esempi di relè
Connections,
Anschlüsse, Connexions,
Conexiones, Collegamenti
37
39
Table of Contents
Main Page
Specification
2
The Front Panel
2
Auto Reset
3
Counter Modes
3
Timer Modes
3
Spezifikation
8
Caractéristiques
14
Face Avant
14
Especificaciones
20
Panel Frontal
20
Il Pannello Frontale
26
Installation
32
Maintenance
32
Wartung
33
Instalación
33
Mantenimiento
34
Installazione
34
Manutenzione
34
Related product manuals
Trumeter 7911
24 pages
Trumeter 7931
40 pages