EasyManua.ls Logo

TTI LD300 - Page 48

Default Icon
51 pages
Print Icon
To Next Page IconTo Next Page
To Next Page IconTo Next Page
To Previous Page IconTo Previous Page
To Previous Page IconTo Previous Page
Loading...
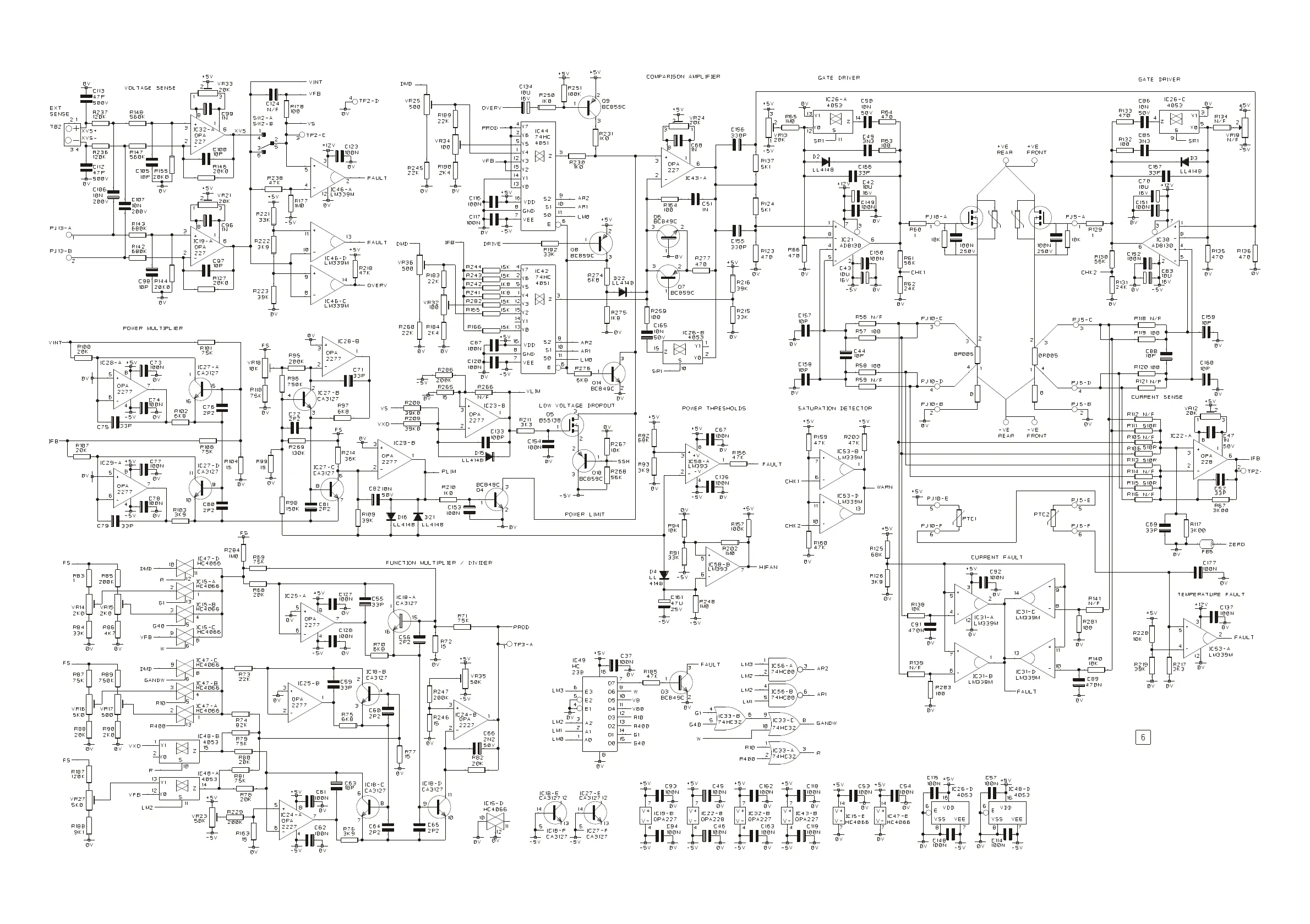
Page 47
Sheet 2 of 2
Main Board

Related product manuals