EasyManua.ls Logo

TTI LD300 - Page 50

Default Icon
51 pages
Print Icon
To Next Page IconTo Next Page
To Next Page IconTo Next Page
To Previous Page IconTo Previous Page
To Previous Page IconTo Previous Page
Loading...
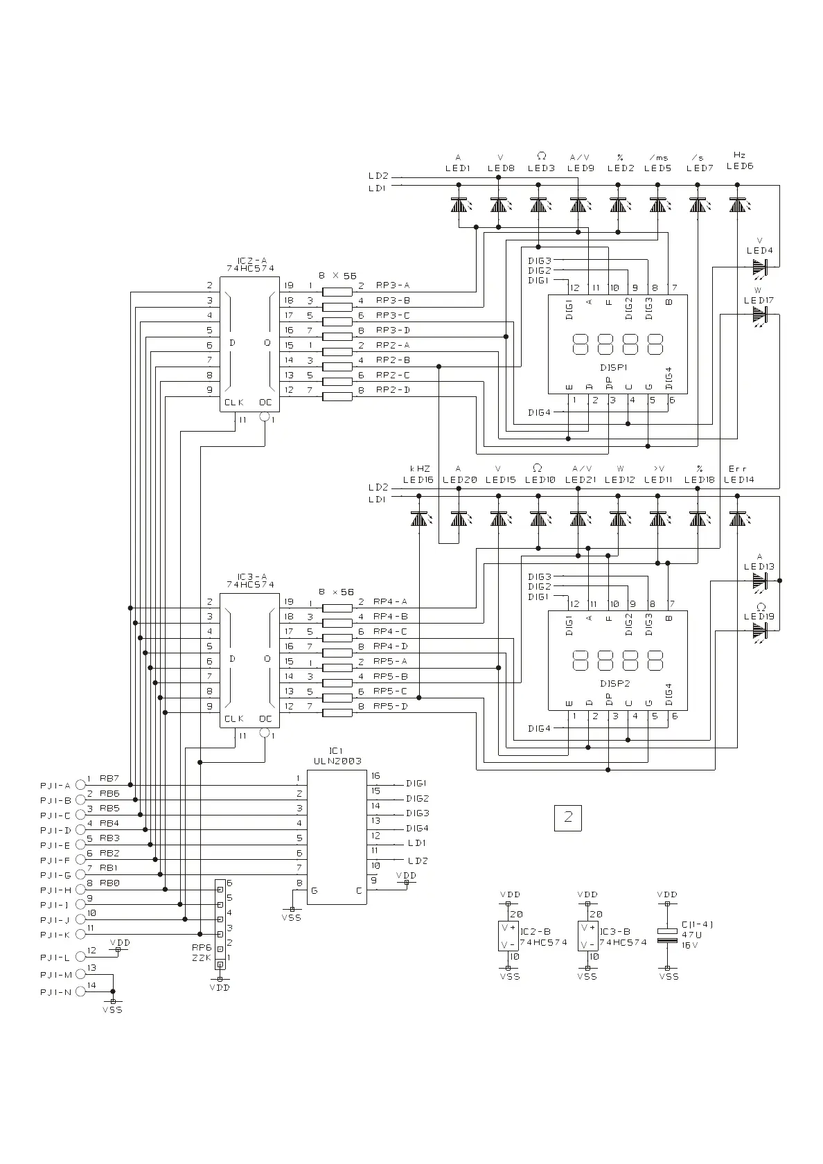
Display Board
Page 49

Related product manuals