EasyManua.ls Logo

Tyco HVR800 - Wiring Diagrams; 24 Vdc and 24 Vac Applications; 120 Vac Application; 240 Vac Application

Tyco HVR800
3 pages
Print Icon
To Next Page IconTo Next Page
To Next Page IconTo Next Page
To Previous Page IconTo Previous Page
To Previous Page IconTo Previous Page
Loading...
FC410RIM O FC410MIO
TERMINALI DEL RELÈ
FC410RIM OR FC410MIO
RELAY TERMINALS
CARICO
LOAD
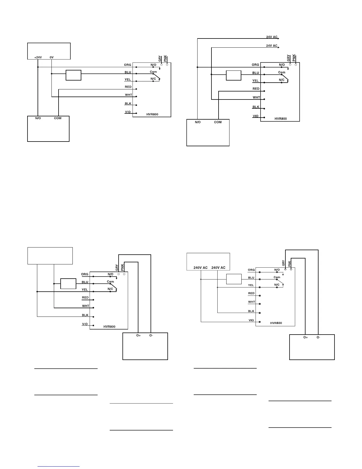
NOTES:
1) ALL UNUSED HVR800 WIRES MUST
BE INDIVIDUALLY ISOLATED AND
INSULATED TO PREVENT THE RISK
OF ELECTRICAL SHORTING
2) CONNECT LOAD WIRE TO YEL FOR
A NORMALLY ‘ON’ LOAD
3) GRY AND PNK WIRES MUST NOT BE
USED IN THIS APPLICATION
NOTE:
1) TUTTI I COLLEGAMENTI NON UTILIZZATI
DEL HVR800 DEVONO ESSERE ISOLATI
INDIVIDUALMENTE PER EVITARE IL RISCHIO
DI CORTOCIRCUITI ELETTRICI
2) COLLEGARE IL CARICO AL GIALLO PER
NORMALMENTE ‘ON’
3) IL GRIGIO E IL ROSA NON DEVONO
ESSERE UTILIZZATI IN QUESTA APPLICAZIONE
24 VCC ALIMENTATORE
24V DC POWER SUPPLY
FIG.2 HVR800 Applicazione 24 Vcc
HVR800 in 24V dc Application
NOTES:
1) ALL UNUSED HVR800 WIRES MUST
BE INDIVIDUALLY ISOLATED AND
INSULATED TO PREVENT THE RISK
OF ELECTRICAL SHORTING
2) CONNECT LOAD WIRE TO YEL FOR
A NORMALLY ‘ON’ LOAD
3) GRY AND PNK WIRES MUST NOT BE
USED IN THIS APPLICATION
NOTE:
1) TUTTI I COLLEGAMENTI NON UTILIZZATI
DEL HVR800 DEVONO ESSERE ISOLATI
INDIVIDUALMENTE PER EVITARE IL RISCHIO
DI CORTOCIRCUITI ELETTRICI
2) COLLEGARE IL CARICO AL GIALLO PER
NORMALMENTE ‘ON’
3) IL GRIGIO E IL ROSA NON DEVONO
ESSERE UTILIZZATI IN QUESTA APPLICAZIONE
FC410RIM O FC410MIO
TERMINALI DEL RELÈ
FC410RIM OR FC410MIO
RELAY TERMINALS
CARICO
LOAD
FIG. 3 HVR800 Applicazione 24 Vac
HVR800 in 24V ac Application
NOTES:
1) ALL UNUSED HVR800 WIRES MUST
BE INDIVIDUALLY ISOLATED AND
INSULATED TO PREVENT THE RISK
OF ELECTRICAL SHORTING AND
ELECTRIC SHOCK.
2) CONNECT LOAD WIRE TO ORG FOR
A NORMALLY ‘ON’ LOAD.
NOTE:
1) TUTTI I COLLEGAMENTI DEL HVR800
INUTILIZZATI DEVONO ESSERE SEPARATI
ED ISOLATI INDIVIDUALMENTE PER
IMPEDIRE IL RISCHIO DI CORTOCIRCUITO
E DI SHOCK ELETTRICO.
2) COLLEGARE IL CARICO AL FILO
ARANCIONE PER NORMALMENTE ‘ON’
ATTENZIONE!
IN QUESTA APPLICAZIONE, 120V AC
È PRESENTE SU ALCUNI DEI COLLEGAMENTI
INUTILIZZATI DEL HVR800
WARNING!
IN THIS APPLICATION, 120V AC WILL
BE PRESENT ON SOME OF THE UNUSED
WIRES ON THE HVR800
FC410RIM O FC410MIO
MORSETTI PILOTA ‘O’
FC410RIM OR FC410MIO
DRIVER ‘O’ TERMINALS
120V AC ALIMENTATORE
120V AC SUPPLY
CARICO
LOAD
NEUTRO-NEUTRAL
120V AC
FIG. 4 HVR800 Applicazione 120 Vac
HVR800 in 120V ac Application
NOTES:
1) ALL UNUSED HVR800 WIRES MUST
BE INDIVIDUALLY ISOLATED AND
INSULATED TO PREVENT THE RISK
OF ELECTRICAL SHORTING AND
ELECTRIC SHOCK.
2) CONNECT LOAD WIRE TO ORG FOR
A NORMALLY ‘ON’ LOAD.
NOTE:
1) TUTTI I COLLEGAMENTI DEL HVR800
INUTILIZZATI DEVONO ESSERE SEPARATI
ED ISOLATI INDIVIDUALMENTE PER
IMPEDIRE IL RISCHIO DI CORTOCIRCUITO
E DI SHOCK ELETTRICO.
2) COLLEGARE IL CARICO AL FILO
ARANCIONE PER NORMALMENTE ‘ON’
ATTENZIONE!
IN QUESTA APPLICAZIONE, 240V AC
È PRESENTE SU ALCUNI DEI COLLEGAMENTI
INUTILIZZATI DEL HVR800
WARNING!
IN THIS APPLICATION, 240V AC WILL
BE PRESENT ON SOME OF THE UNUSED
WIRES ON THE HVR800
240V AC ALIMENTATORE
240V AC SUPPLY
FC410RIM O FC410MIO
MORSETTI PILOTA ‘O’
FC410RIM OR FC410MIO
DRIVER ‘O’ TERMINALS
CARICO
LOAD
FIG. 5 HVR800 Applicazione 240 Vac
HVR800 in 240V ac Application