EasyManua.ls Logo

Tyco HVR800 - Multiple HVR800 s Wiring; 240 Vac Multiple Applications

Tyco HVR800
3 pages
Print Icon
To Previous Page IconTo Previous Page
To Previous Page IconTo Previous Page
Loading...
CARICO
LOAD
CARICO
LOAD
CARICO
LOAD
CARICO
LOAD
CARICO
LOAD
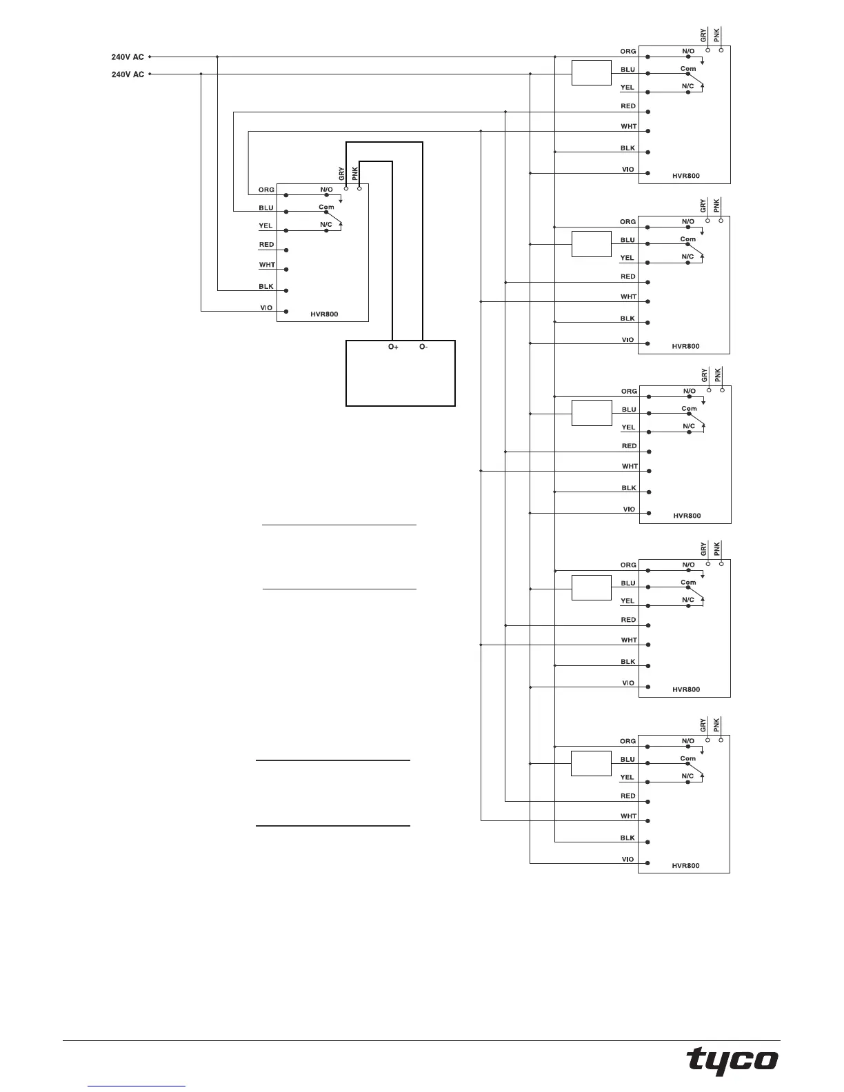
NOTE:
ALL UNUSED HVR800 WIRES MUST
BE INDIVIDUALLY ISOLATED AND
INSULATED TO PREVENT THE RISK
OF ELECTRICAL SHORTING AND
ELECTRIC SHOCK.
NOTE:
TUTTI I COLLEGAMENTI DEL HVR800
INUTILIZZATI DEVONO ESSERE SEPARATI
ED ISOLATI INDIVIDUALMENTE PER
IMPEDIRE IL RISCHIO DI CORTOCIRCUITO
E DI SHOCK ELETTRICO.
ATTENZIONE!
IN QUESTA APPLICAZIONE, 240 VAC
È PRESENTE SU ALCUNI DEI COLLEGAMENTI
INUTILIZZATI DEL HVR800
WARNING!
IN THIS APPLICATION, 240 V AC WILL
BE PRESENT ON SOME OF THE UNUSED
WIRES ON THE HVR800
FC410RIM O FC410MIO
MORSETTI PILOTA ‘O’
FC410RIM OR FC410MIO
DRIVER ‘O’ TERMINALS
FIG. 6 HVR800 multipli Applicazione 240 Vac
Multiple HVR800s in 240V ac Application
© FireClass
Via Gabbiano 22, Z.Ind.S. Scolastica
64013 Corropoli (TE), Italy
Hillcrest Business Park Cinderbank Dudley West Midlands
DY2 9AP United Kingdom
www.fireclass.co.uk
FireclassSales@tycoint.com