EasyManua.ls Logo

TYM T400 - Page 113

TYM T400
301 pages
Print Icon
To Next Page IconTo Next Page
To Next Page IconTo Next Page
To Previous Page IconTo Previous Page
To Previous Page IconTo Previous Page
Loading...
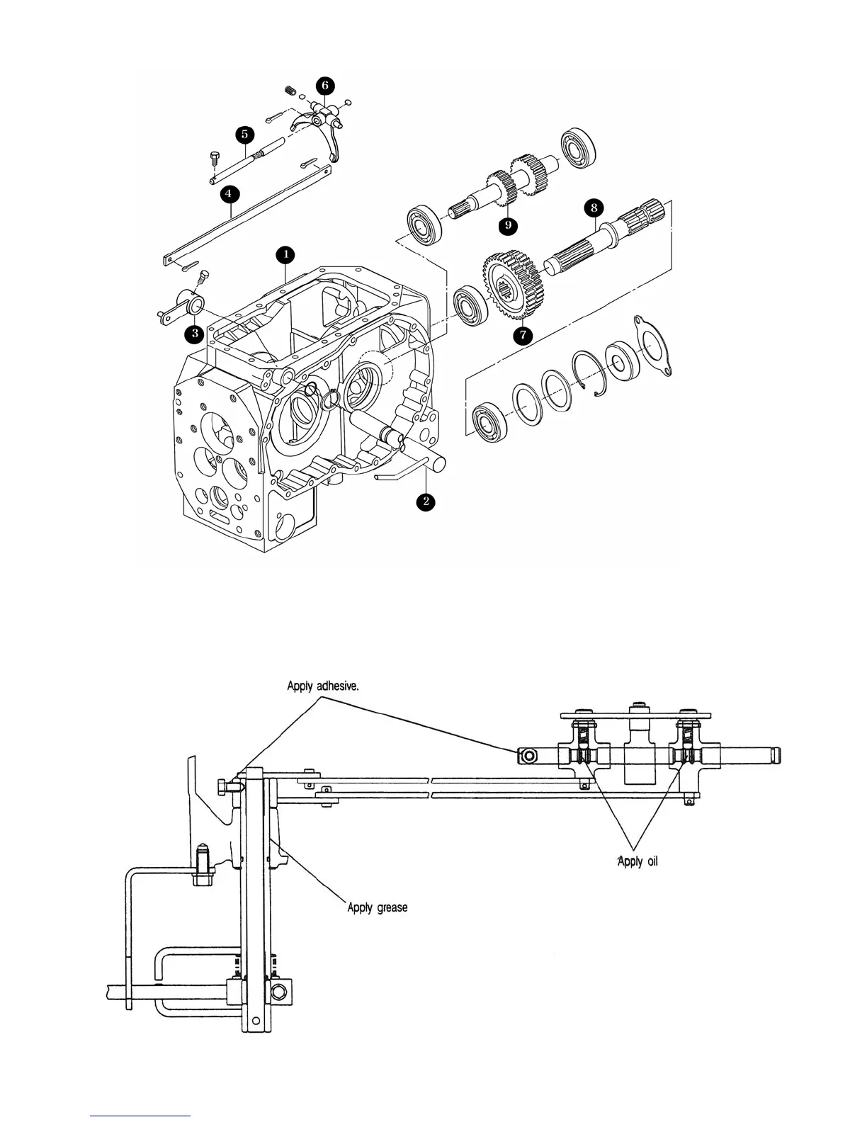
(5) Rear PTO shift mechanism
5-41
Fig.5-78
1.Rear transmission case 2.Change arm 3.Cam. 4. Change plate
5.PTO shifter stay 6.PTO shifter 7.Gear spur(38-33) 8.PTO shaft
9.Gear spur(12-17)
Fig.5-79

Table of Contents

Related product manuals