EasyManua.ls Logo

TYM T400 - Page 21

TYM T400
301 pages
Print Icon
To Next Page IconTo Next Page
To Next Page IconTo Next Page
To Previous Page IconTo Previous Page
To Previous Page IconTo Previous Page
Loading...
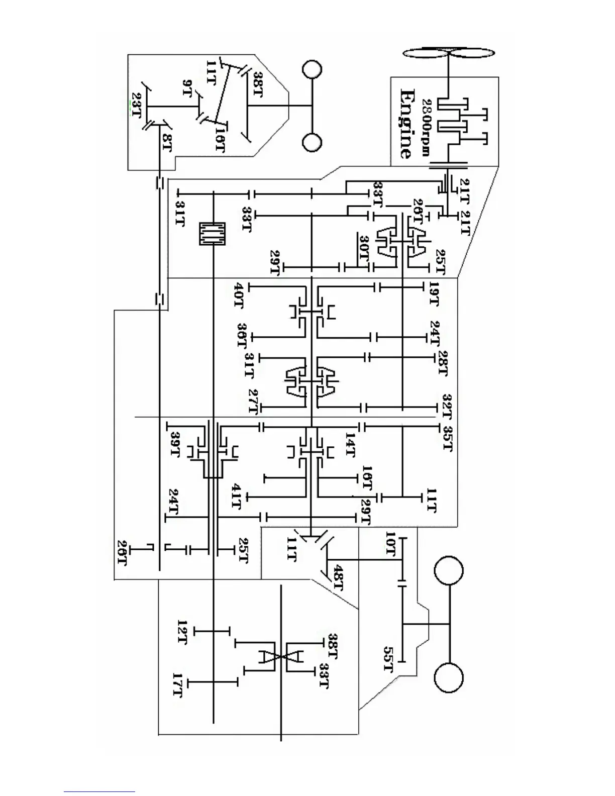
SECTION 3. GEAR TRAIN DIAGRAMS (T390/T400)
Fig.1-3 GEAR TRAIN DIAGRAM
1-20

Table of Contents

Related product manuals