EasyManua.ls Logo

UAZ 2001 ???-3741 - Page 52

UAZ 2001 ???-3741
112 pages
Print Icon
To Next Page IconTo Next Page
To Next Page IconTo Next Page
To Previous Page IconTo Previous Page
To Previous Page IconTo Previous Page
Loading...
52
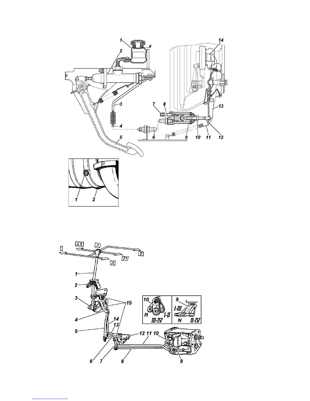
Fig. 40. Clutch control linkage with
pressure springs and release levers:
a - fluid level
1 -reservoir; 2 -master cylinder; 3, 4 -
pipelines; 5 -pedal; 6 -hydraulic hose;
7 -protective cap; 8 -by-pass valve; 9 -
slave cylinder; 10 -locknut; 11 -spring
(is not installed to couple with centre
diaphragm pressure spring); 12 -pushrod;
13 -fork; 14 -coupling
Fig. 41. Gearbox plugs:
1 -filler hole plug;
2 -drain hole plug
Fig. 42. Gearbox control linkage:
1 -gearshift lever; 2 -gearshift lever boot;
3 -selector lever; 4 -shift lever; 5 -
vertical shift rod; 6 -intermediate shift
lever; 7 -intermediate selector lever; 8 -
horizontal selector rod; 9 -shift lever;
10 -selector le-
ver; 11 -horizon-
tal shift rod; 12 -
intermediate
bracket of levers;
13 -intermediate
selector lever;
14 -vertical se-
lector rod; 15 -
grease fitting

Table of Contents

Related product manuals