EasyManua.ls Logo

Unique WS Series - Single Phase with Heat Pump - Model 260 U

Unique WS Series
42 pages
Print Icon
To Next Page IconTo Next Page
To Next Page IconTo Next Page
To Previous Page IconTo Previous Page
To Previous Page IconTo Previous Page
Loading...
- 29
-
WS
Series
Advanced air conditioning systems
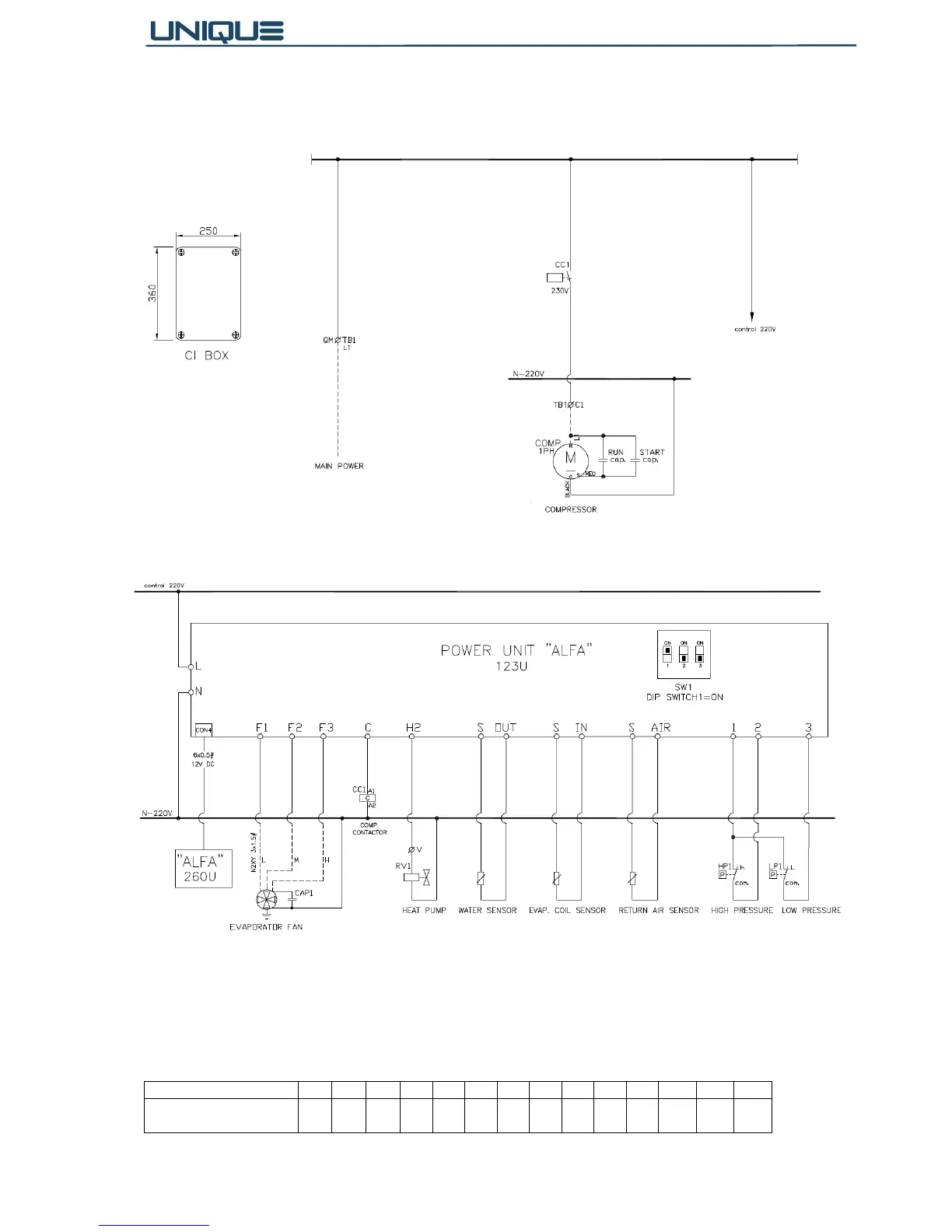
9.5 Electrical Wiring Diagram – Single Phase with Heat Pump – Model 260U
HP – High pressure control ALFA 123U – Power switch unit
LP – Low pressure control CC – Compressor contactor
ALFA 260U – Room Thermostat RV1 – 4 way valve
WS Type 12 15 22 28 36 43 48 54 61 75 85 102 120 144
MAIN POWER Cable
Cross Section Area mm²
2.5 2.5 2.5 4 4 6 - - - - - - - -