EasyManua.ls Logo

Unitest BEHA 9004 - Strommessung; Widerstandsmessung

Unitest BEHA 9004
Print Icon
To Next Page IconTo Next Page
To Next Page IconTo Next Page
To Previous Page IconTo Previous Page
To Previous Page IconTo Previous Page
Loading...
2. Verbinden Sie die schwarze Meßleitung mit dem „COM“-Anschluß
und die rote Meßleitung mit dem „V, V, mA“-Anschluß.
3. Verbinden Sie die Prüfspitzen mit dem Prüfobjekt. Lesen Sie den
Meßwert von der Anzeige ab.
4.3 Strommessung
Achtung !
v Messen Sie niemals in Stromkreisen mit mehr als 240 V Nenn-
spannung.
v Messen Sie auf keinen Fall Ströme, die größer als 15 A sind.
Achten Sie darauf, daß die Stromkreise selbst mit max. 16 A
abgesichert sind.
v Ströme im Bereich 10 A bis 15 A dürfen nur maximal 15 Sekunden
lang gemessen werden.
1. Stellen Sie den Meßbereichswahlschalter (2) auf ;A oder =A, je
nachdem, welche Stromart Sie messen wollen.
2. Wählen Sie bei unbe-kannten Strömen immer den 15 A-
Strommeßbereich, und
schalten Sie falls notwendig
in kleinere Meßbereiche um.
Entfernen Sie die Meßleitun-
gen vom Prüfling, bevor Sie
den Meßbereich wechseln.
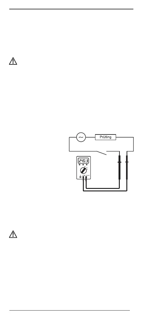
3. Schalten Sie das Multi-
meter in Reihe mit dem
Prüfling (siehe auch Bild), und
schalten Sie den Prüfling erst
ein, wenn das Multimeter mit
dem Prüfling verbunden ist.
4. Lesen Sie den Meßwert von
der Anzeige ab.
7
Anschlußbild bei Strommessung
4.4 Widerstandsmessung
Achtung ! Vergewissern Sie sich vor jeder Messung, daß der
Prüfling spannungsfrei ist. Messen Sie gegebenenfalls nach.
Spannungsmessung siehe Abschnitt 4.2.
1. Stellen Sie den Meßbereichswahlschalter (2) auf den Bereich „V“.
Wählen Sie den Meßbereich, in dem Sie den Widerstandswert erwar-
ten. Beim Modell 9005 wird während der Messung der günstigste
Meßbereich automatisch ausgewählt.
2. Verbinden Sie die Meßleitungen mit dem Prüfling. Die Polarität der
Meßspannung am „V V mA“-Eingang ist positiv.
3. Lesen Sie den Meßwert von der Anzeige ab.

Related product manuals