EasyManua.ls Logo

upstreman BR321 - Page 10

upstreman BR321
12 pages
Print Icon
To Next Page IconTo Next Page
To Next Page IconTo Next Page
To Previous Page IconTo Previous Page
To Previous Page IconTo Previous Page
Loading...
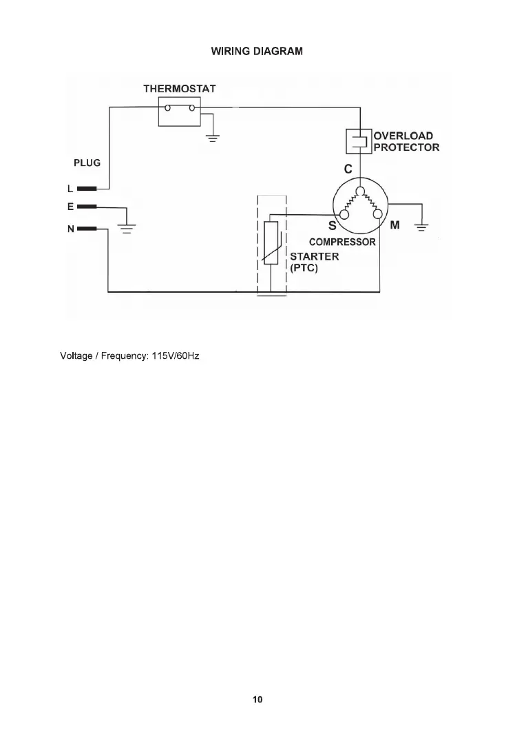
WIRING DIAGRAM
THERMOSTAT
OVERLOAD
PROTECTOR
PLUG
Voltage / Frequency: 115V/60Hz
10
c
s
COMPRESSOR
STARTER