EasyManua.ls Logo

US Blaster USB 7015 - Page 25

US Blaster USB 7015
49 pages
Print Icon
To Next Page IconTo Next Page
To Next Page IconTo Next Page
To Previous Page IconTo Previous Page
To Previous Page IconTo Previous Page
Loading...
D
E
S
I
GN B
Y U
.S B
L
ASTER - P.O. Box 5376 - Carefree - AZ 85377 - USA.
USB 7015
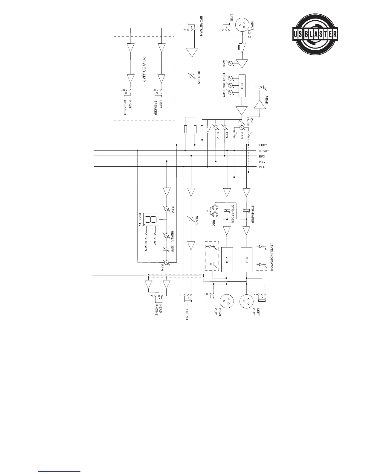
Console mixer
DIAGRAM
1. SENSIBILITÉ DU CANAL D’ENTRÉE Microphone MIC ...........................-60dB
Entrée STÉRÉO..............................-40dB
F
onction EFX SEND
........................
-20dB
Fonction EFF, RETURN ...................-20dB
2. SORTIES 4V MAX
3. SNR -80dB
4. P
ARAMÈTRES EQ HI ..................................+15dB/1 OKHz
MID ......................+ 15dB/250Hz~6KHz
L
OW
..............................
+ 15dB/60KHz
ALIMENTATION 8 CH
1. Puissance 300W x 2 (4 Ohms)
200W x 2 (8 Ohms)
3. Courant d’entrée 850 Watts
2. THD (Distorsion harmonique) moins de 0.1 % (1 KHz de la puissance
complète)AC 220V/50 Hz ou 120V/60 Hz
© US Blaster Europe BV