EasyManua.ls Logo

US Blaster USB 7015 - Page 33

US Blaster USB 7015
49 pages
Print Icon
To Next Page IconTo Next Page
To Next Page IconTo Next Page
To Previous Page IconTo Previous Page
To Previous Page IconTo Previous Page
Loading...
D
E
S
I
GN B
Y U
.S B
L
ASTER - P.O. Box 5376 - Carefree - AZ 85377 - USA.
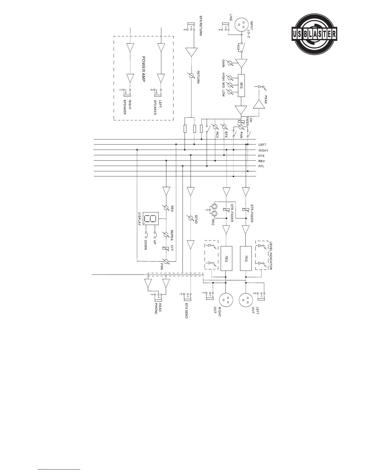
USB 7015
Console mixer
DIAGRAM
1.EMPFINDLICHKEIT DES EINGANGSSIGNALS Mikrophon MIC .............................-60dB
STEREO Eingang ..........................-40dB
Funktion EFX SEND
........................
-20dB
Funktion EFF, RETURN ...................-20dB
2.AUSGÄNGE 4V MAX
3.SNR -80dB
4.P
ARAMETER EQ HI ..................................+15dB/1 OKHz
MID ......................+ 15dB/250Hz~6KHz
L
OW
...............................
+ 15dB/60KHz
Speisung 8 CH
1.Leistung 300W x 2 (4 Ohm)
200W x 2 (8 Ohm)
3.leistungsaufnahme 850 Watt
2. THD (harmonische Verzerrung) unter 0.1 % (1 KHz der vollen Leistung)
AC 220V/50 Hz oder 120V/60 Hz
© US Blaster Europe BV