EasyManua.ls Logo

US Blaster USB 7015 - Page 41

US Blaster USB 7015
49 pages
Print Icon
To Next Page IconTo Next Page
To Next Page IconTo Next Page
To Previous Page IconTo Previous Page
To Previous Page IconTo Previous Page
Loading...
D
E
S
I
GN B
Y U
.S B
L
ASTER - P.O. Box 5376 - Carefree - AZ 85377 - USA.
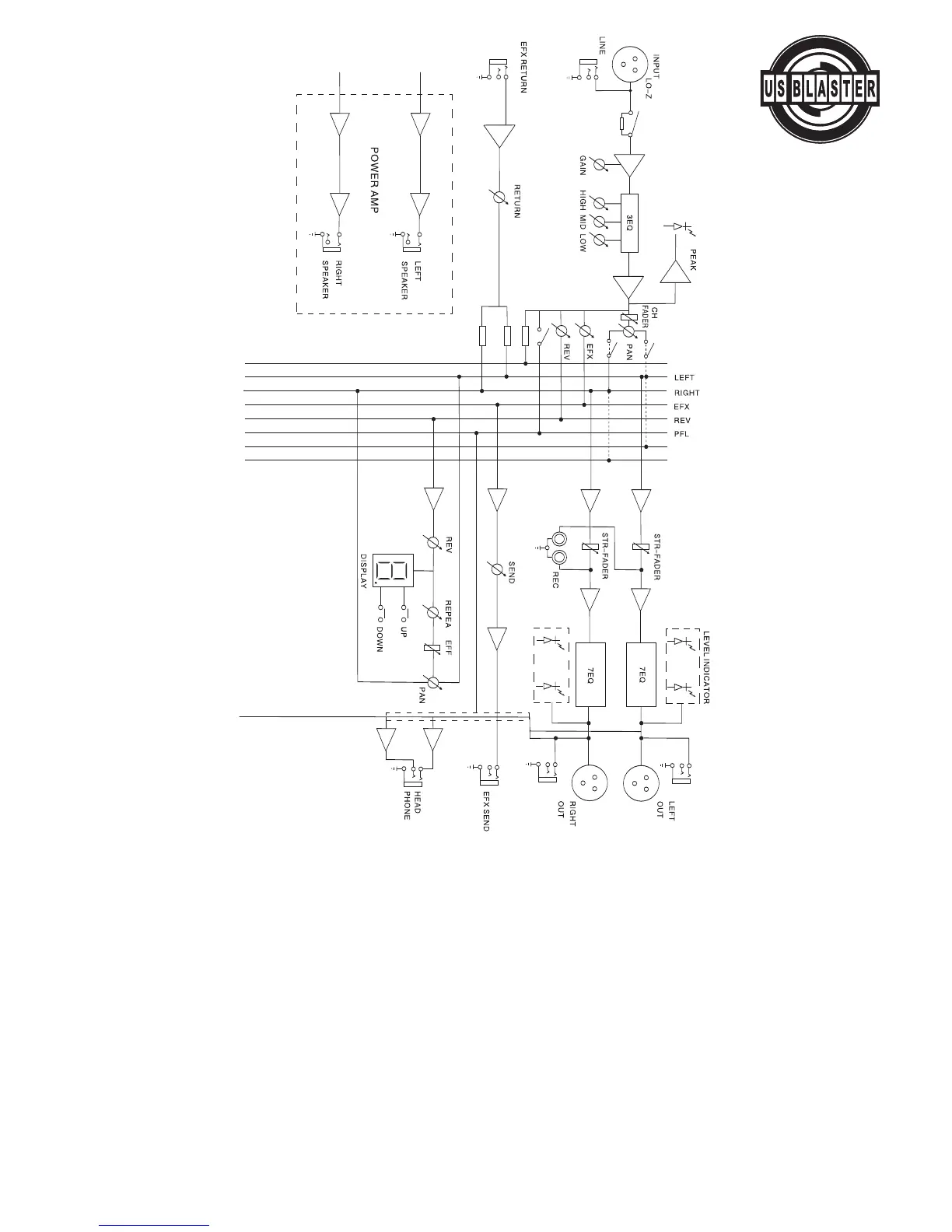
USB 7015
Console mixer
DIAGRAM
1. SENSIBIlITÁ DEL CANALE D´ INGRESSO Microfono MIC..............................-60 dB
STEREO ...........................ingresso-40 dB
Funzione EFX SEND
......................
-20 dB
Funzione EFF, RETURN ..................-20 dB
2. USCITE 4V MAX
3. SNR -80 dB
4.
PARAMETRI EQ HI ...............................+15Db/1 OKHz
MID.........................+ 15dB/250Hz-6KHz
L
OW
................................
+ 15dB/60KHz
ALIMENTAZIONE 8CH
1. P
otenza
300Wx2 (4 ohm)
200Wx 2 (8 ohm)
3. Potenza assorbita 850 Watt
2. THD ( distorsione armonica) .sotto il 0.1% (1 KHz della potenza piena)
AC 220V/50 Hz o 120V/60 Hz
© US Blaster Europe BV