EasyManua.ls Logo

UTILEV UT25P - Page 125

UTILEV UT25P
149 pages
Print Icon
To Next Page IconTo Next Page
To Next Page IconTo Next Page
To Previous Page IconTo Previous Page
To Previous Page IconTo Previous Page
Loading...
119119
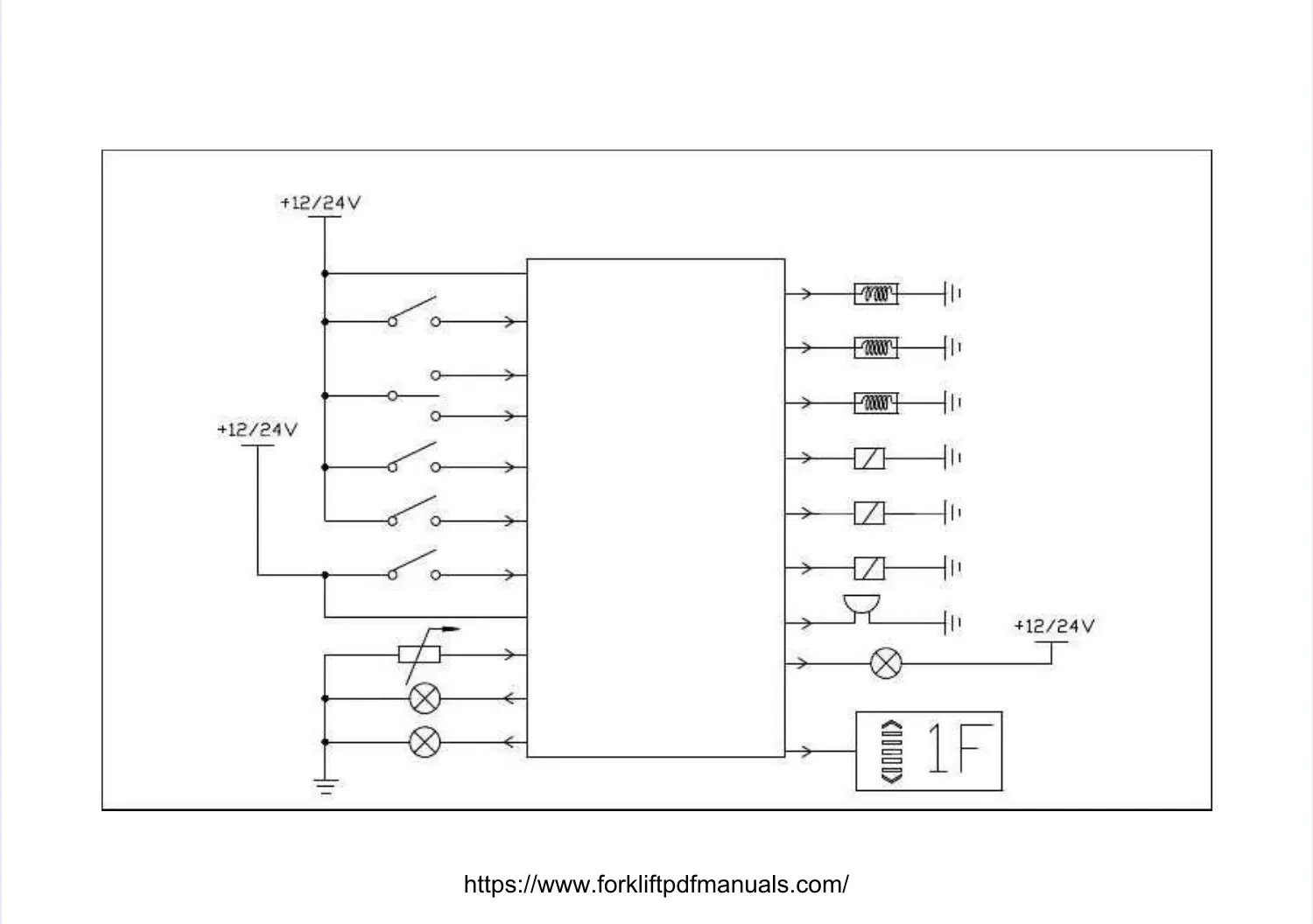
2. Wiring
2. Wiring
(1)(1)
(2)(2)
(3)(3)
(4)(4)
(5)(5)
(6)(6)
(7)(7)
(8)(8)
(9)(9)
(11)(11)
(12)(12)
(13)(13)
(14)(14)
(15)(15)
(16)(16)
(17)(17)
(18)(18)
(19)(19)
(19)(19)
(20)(20)
(10)(10)
ControllerController
https://www.forkliftpdfmanuals.com/

Related product manuals